最新动态
- 01YUKEN油研电磁阀dsg-01-3c3-d24-n1-50价格,型号说明
- 02挖机液压泵维修,卡特挖机液压泵的维修步骤
- 03REXROTH力士乐AZPF,AZPB,AZPN系列齿轮泵性能参数及特征
- 04PARKER派克轴向柱塞泵PV028R1K1T1N-MMC价格,性能参数及使用说明
- 05日本东京计器柱塞泵P16V,P21V,P100V,P70V系列型号大全,性能参数
- 06台湾油昇yeoshe柱塞泵型号大全,特征及应用
- 07VIVOIL齿轮泵,VIVOIL液压齿轮泵/马达型号大全,特征及应用说明
- 08A3H泵有哪些型号? YUKEN油研A3H系列高压变量柱塞泵有哪些优势
- 09Caproni齿轮泵有哪些型号,这些型号的详细参数和特点是什么

行业新闻
轴向柱塞泵的工作原理
发布时间:2017-05-31 00:00:00 最后更新:2024-10-22 16:41:51 浏览次数:4242轴向柱塞泵的工作原理:
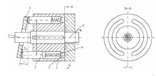
轴向柱塞泵是将多个柱塞配置在一个共同缸体的圆周上,并使柱塞中心线和缸体中心线平行的一种泵。轴向柱塞泵有两种形式,直轴式(斜盘式)和斜轴式(摆缸式),如图所示为直轴式轴向柱塞泵的工作原理,这种泵主体由缸体1、配油盘2、柱塞3和斜盘4组成。柱塞沿圆周均匀分布在缸体内。斜盘轴线与缸体轴线倾斜一角度,柱塞靠机械装置或在低压油作用下压紧在斜盘上(图中为弹簧),配油盘2和斜盘4固定不转,当原动机通过传动轴使缸体转动时,由于斜盘的作用,迫使柱塞在缸体内作往复运动,并通过配油盘的配油窗口进行吸油和压油。回转方向,当缸体转角在π~2π范围内,柱塞向外伸出,柱塞底部缸孔的密封工作容积增大,通过配油盘的吸油窗口吸油;在0~π范围内,柱塞被斜盘推入缸体,使缸孔容积减小,通过配油盘的压油窗口压油。缸体每转一周,每个柱塞各完成吸、压油一次,如改变斜盘倾角?,就能改变柱塞行程的长度,即改变液压泵的排量,改变斜盘倾角方向,就能改变吸油和压油的方向,即成为双向变量泵。

轴向柱塞泵的工作原理
轴向柱塞泵是一种常用的液压动力元件,其工作原理主要依赖于柱塞在轴向上的运动来产生压力,从而实现液体的输送和能量的转换。这种泵广泛应用于各种需要高精度压力控制和流量调节的场合,如液压机床、冶金机械、船舶、起重机械以及农业、建筑等领域。
一、轴向柱塞泵的基本结构
轴向柱塞泵主要由缸体、配油盘、柱塞和斜盘等主要零件组成。缸体内有多个轴向排列的柱塞,即柱塞的中心线平行于传动轴的轴线。这些柱塞在泵缸内不仅做往复运动,还与斜盘和泵缸一起有旋转运动。斜盘的轴线与缸体轴线之间有一定的倾斜角度,这个角度决定了柱塞在泵缸内的行程长度,从而决定了泵的流量。
二、工作原理
轴向柱塞泵的工作过程可以分为吸油、压油和排油三个阶段。
吸油过程
在吸油阶段,泵体进口处的进口阀打开,出口阀关闭。电动机带动传动轴旋转,使泵缸与柱塞一同旋转。由于斜盘与缸体之间的倾斜角度,柱塞在旋转过程中会不断改变其在泵缸内的位置。当柱塞从某一位置(如0°)旋转到另一位置(如180°)时,柱塞缸容积逐渐增大,形成负压。此时,液体通过进口阀进入泵体内部,经过泵体内部的油道,进入缸体内部。
压油过程
当柱塞继续旋转,从180°转到360°时,柱塞缸容积逐渐减小。此时,进口阀关闭,出口阀打开。柱塞开始向下运动,将液体挤压到缸体顶部。当柱塞运动到一定位置时,柱塞孔与缸体之间的油道被封闭,液体开始被压缩,压力随之增加。此时,压力调节器开始发挥作用,通过调节泵的出口压力来控制液体的流量和压力,确保系统稳定运行。
排油过程
当柱塞运动到底部时,缸体顶部的压力调节器开始工作,使液体从出口阀流出。同时,进口阀关闭,液体不再进入泵体内部。此时,柱塞开始向上运动,液体被挤压到缸体底部,完成一次循环。随着传动轴的持续旋转,泵不断重复这一吸油、压油和排油的过程,从而实现连续供油。
三、类型与特点
轴向柱塞泵根据倾斜元件的不同,可分为斜盘式和斜轴式两种。斜盘式轴向柱塞泵结构较简单,转速较高,但工作条件要求高,柱塞端部与斜盘的接触部往往是薄弱环节。斜轴式轴向柱塞泵则工作可靠,流量大,但结构复杂。此外,根据排量是否可变,轴向柱塞泵还可分为定量轴向柱塞泵和变量轴向柱塞泵。变量轴向柱塞泵可以通过不同的变量机构实现排量的调节,以满足不同的工作需求。
四、应用与优势
轴向柱塞泵因其高效可靠的特点以及灵活多样的应用场景,被广泛应用于各种需要高精度压力控制和流量调节的场合。它不仅适用于机床、冶金、锻压、矿山及起重机械的液压传动系统,还广泛应用于挖掘机、装载机、混凝土泵车等建筑机械中。此外,轴向柱塞泵采用液压静力平衡的最佳油膜厚度设计,具有结构简单、体积小、噪音低、效率高、寿命长和有自吸能力等优点。
综上所述,轴向柱塞泵以其独特的工作原理和优越的性能特点,在液压传动系统中发挥着重要作用。随着技术的不断进步和应用领域的不断扩展,轴向柱塞泵的性能和可靠性将进一步提高,为各种工业设备提供更加稳定、高效的液压动力支持。
![【bv1946官方网站下载地址
】液压元件[液压油泵,电磁阀]一站式服务平台](upload/20210127173032768281.png)




