最新动态
- 01YUKEN油研电磁阀dsg-01-3c3-d24-n1-50价格,型号说明
- 02挖机液压泵维修,卡特挖机液压泵的维修步骤
- 03REXROTH力士乐AZPF,AZPB,AZPN系列齿轮泵性能参数及特征
- 04PARKER派克轴向柱塞泵PV028R1K1T1N-MMC价格,性能参数及使用说明
- 05日本东京计器柱塞泵P16V,P21V,P100V,P70V系列型号大全,性能参数
- 06台湾油昇yeoshe柱塞泵型号大全,特征及应用
- 07VIVOIL齿轮泵,VIVOIL液压齿轮泵/马达型号大全,特征及应用说明
- 08A3H泵有哪些型号? YUKEN油研A3H系列高压变量柱塞泵有哪些优势
- 09Caproni齿轮泵有哪些型号,这些型号的详细参数和特点是什么

行业新闻
Casappa凯斯帕齿轮泵PH系列特征及技术参数
发布时间:2022-08-09 16:21:49 浏览次数:1934
凯斯帕齿轮泵PH系列特征
齿轮泵和电机采用三件式铸铁阀体。
新型齿轮泵和电机“PH”系列是“POLARIS”系列的演变。
“POLARIS PH”采用铸铁制成的新阀体,具有更高的运行参数,并在轴、法兰、端口和内置阀门方面保持了 POLARIS 的全部多功能性。
该项目的目标是叉车、滑移装载机和所有那些传统铝泵被逼近极限的应用。除了增加强度外,将阀体与铸铁盖配合的可能性进一步降低了噪音水平。
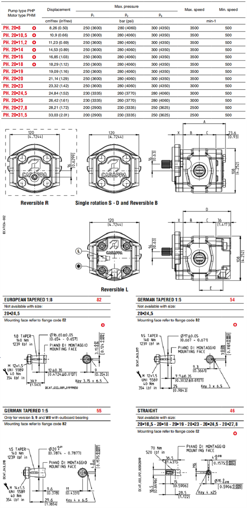
排量从 0.50 in?/rev (8,26 cm?/rev) 到 2.01 in?/rev (33,03 cm?/rev)。
最大限度。峰值压力高达 4350 psi (300 bar)。
最大限度。速度高达 3500 分钟?
高工作压力也适用于大排量
使用寿命长
低噪音水平
在高温下也具有高容积效率
入口和出口优化 - 高速
多泵组合
内置阀门简化了电路设计
内置阀门
防气蚀阀
最大泄压阀
优先阀
“负载感应”优先阀
旁通电动阀
比例溢流阀
换向阀
Casappa齿轮泵、液压马达、柱塞泵和 Ikron 过滤器。许多 Casappa 组件都内置了液压阀和控制装置,例如泄压阀、负载感应优先阀、旁通电动阀、反向阀、防气蚀阀和比例溢流阀。
卡萨帕产品包括:
Casappa 铝体液压齿轮泵
铝体液压马达
铸铁体液压齿轮泵
Casappa 铸铁阀体液压马达
齿轮分流器
Casappa 变量轴向柱塞泵
固定排量轴向柱塞泵和马达
液压手动泵
Ikron 液压过滤器
齿轮泵和电机采用三件式铸铁阀体。
新型齿轮泵和电机“PH”系列是“POLARIS”系列的演变。
“POLARIS PH”采用铸铁制成的新阀体,具有更高的运行参数,并在轴、法兰、端口和内置阀门方面保持了 POLARIS 的全部多功能性。
该项目的目标是叉车、滑移装载机和所有那些传统铝泵被逼近极限的应用。除了增加强度外,将阀体与铸铁盖配合的可能性进一步降低了噪音水平。
排量从 0.50 in?/rev (8,26 cm?/rev) 到 2.01 in?/rev (33,03 cm?/rev)。
最大限度。峰值压力高达 4350 psi (300 bar)。
最大限度。速度高达 3500 分钟?
高工作压力也适用于大排量
使用寿命长
低噪音水平
在高温下也具有高容积效率
入口和出口优化 - 高速
多泵组合
内置阀门简化了电路设计
内置阀门
防气蚀阀
最大泄压阀
优先阀
“负载感应”优先阀
旁通电动阀
比例溢流阀
换向阀
Casappa齿轮泵、液压马达、柱塞泵和 Ikron 过滤器。许多 Casappa 组件都内置了液压阀和控制装置,例如泄压阀、负载感应优先阀、旁通电动阀、反向阀、防气蚀阀和比例溢流阀。
卡萨帕产品包括:
Casappa 铝体液压齿轮泵
铝体液压马达
铸铁体液压齿轮泵
Casappa 铸铁阀体液压马达
齿轮分流器
Casappa 变量轴向柱塞泵
固定排量轴向柱塞泵和马达
液压手动泵
Ikron 液压过滤器
Ikron 液压系统过滤,例如回油过滤器、吸入过滤器、旋装式在线过滤器、中压和高压过滤器。

相关新闻
丹尼逊叶片泵型号规格大全,DENISON叶片泵样本
2025-01-06 14:52:14
丹尼逊(DENISON)叶片泵拥有多种型号规格,以下是其主要系列及部分型号的详细介绍,同时也提供了一个简化的DENISON叶片泵样本概览: 一、丹尼逊叶片泵主要系列 T6系列叶片泵 T6C单联泵:排量范围从003(约...
挖机液压泵维修,卡特挖机液压泵的维修步骤
2025-02-05 10:20:42
挖机液压泵,特别是卡特挖机液压泵,是挖掘机的重要部件,其维修步骤通常包括以下几个关键环节: 一、故障排查 检查液压油: 确保液压油没有泄漏,油箱内油面高度适中,不低于最低油标线。 检查油液是否清洁,避免灰尘、沙粒等杂...
YUKEN油研电磁阀dsg-01-3c3-d24-n1-50价格,型号说明
2025-02-05 10:52:17
关于YUKEN油研电磁阀DSG-01-3C3-D24-N1-50的价格和型号说明,以下是根据我所掌握的信息给出的详细解答: 一、价格 该电磁阀的价格可能因供应商、销售渠道、购买数量以及市场供需关系等因素而有所差异。根...
![【bv1946官方网站下载地址
】液压元件[液压油泵,电磁阀]一站式服务平台](upload/20210127173032768281.png)




