最新动态
- 01YUKEN油研电磁阀dsg-01-3c3-d24-n1-50价格,型号说明
- 02挖机液压泵维修,卡特挖机液压泵的维修步骤
- 03REXROTH力士乐AZPF,AZPB,AZPN系列齿轮泵性能参数及特征
- 04PARKER派克轴向柱塞泵PV028R1K1T1N-MMC价格,性能参数及使用说明
- 05日本东京计器柱塞泵P16V,P21V,P100V,P70V系列型号大全,性能参数
- 06台湾油昇yeoshe柱塞泵型号大全,特征及应用
- 07VIVOIL齿轮泵,VIVOIL液压齿轮泵/马达型号大全,特征及应用说明
- 08A3H泵有哪些型号? YUKEN油研A3H系列高压变量柱塞泵有哪些优势
- 09Caproni齿轮泵有哪些型号,这些型号的详细参数和特点是什么

行业新闻
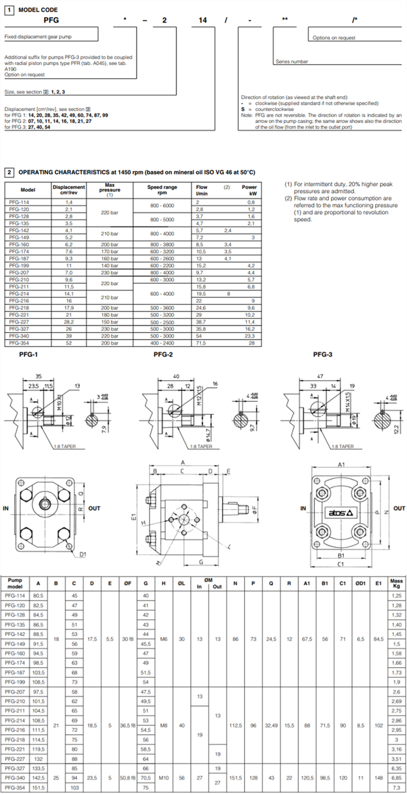
PFG1,PFG2,PFG3系列阿托斯ATOS齿轮泵,PFG系列齿轮泵型号及参数
发布时间:2022-09-03 14:40:06 浏览次数:1846
Atos阿托斯 PFG系列齿轮泵
Atos PFG是固定排量外啮合齿轮泵,轴向液压平衡,结构简单坚固,噪音低,适用于具有类似润滑性能的液压油或合成流体。
排量范围广:从 1.4 到 52 cm? / rev。最大压力高达 230 bar。
选择型号:
PFG-114
PFG-120
PFG-128
PFG-135
PFG-142
PFG-149
PFG-160
PFG-174
PFG-187
PFG-199
PFG-207
PFG-210
PFG-211
PFG-214
PFG-216
PFG-218
PFG-221
PFG-227
PFG-327
PFG-340
PFG-354
PFG-114/S
PFG-120/S
PFG-128/S
PFG-142/S
PFG-160/S
PFG-174/S
PFG-187/S
PFG-199/S
PFG-210/S
PFG-211/S
PFG-214/S
PFG-218/S
PFG-221/S
PFG-327/S
PFG-340/S
PFG-354/S
ATOS阿托斯PFG齿轮泵安装位置 任何位置轴上载荷 在轴上不允许有轴向和径向载荷,联轴器应能吸收峰值负载。
环境温度 从-20C 到+ 7CTC油液种类 符合DIN51524-535的液压油;
ATOS阿托斯PFG齿轮泵建议粘度:
最大冷起动粘度 800mm2/s
全负荷时最大粘度 100mm2/s
运行期间粘度 24 mm2/s
全负荷时最小粘度 10 mm2/s
油液清洁度 符合ISO19/16标准
油液温度 标准密封:-20°C~+60°C, /WG密封-20°C~+5CTC, /PE密封:-209~+809
Atos PFG是固定排量外啮合齿轮泵,轴向液压平衡,结构简单坚固,噪音低,适用于具有类似润滑性能的液压油或合成流体。
排量范围广:从 1.4 到 52 cm? / rev。最大压力高达 230 bar。
选择型号:
PFG-114
PFG-120
PFG-128
PFG-135
PFG-142
PFG-149
PFG-160
PFG-174
PFG-187
PFG-199
PFG-207
PFG-210
PFG-211
PFG-214
PFG-216
PFG-218
PFG-221
PFG-227
PFG-327
PFG-340
PFG-354
PFG-114/S
PFG-120/S
PFG-128/S
PFG-142/S
PFG-160/S
PFG-174/S
PFG-187/S
PFG-199/S
PFG-210/S
PFG-211/S
PFG-214/S
PFG-218/S
PFG-221/S
PFG-327/S
PFG-340/S
PFG-354/S
ATOS阿托斯PFG齿轮泵安装位置 任何位置轴上载荷 在轴上不允许有轴向和径向载荷,联轴器应能吸收峰值负载。
环境温度 从-20C 到+ 7CTC油液种类 符合DIN51524-535的液压油;
ATOS阿托斯PFG齿轮泵建议粘度:
最大冷起动粘度 800mm2/s
全负荷时最大粘度 100mm2/s
运行期间粘度 24 mm2/s
全负荷时最小粘度 10 mm2/s
油液清洁度 符合ISO19/16标准
油液温度 标准密封:-20°C~+60°C, /WG密封-20°C~+5CTC, /PE密封:-209~+809
ATOS阿托斯PFG齿轮泵是依靠泵缸与啮合齿轮间所形成的工作容积变化和移动来输送液体或使之增压的回转泵。由两个齿轮、泵体与前后盖组成两个封闭空间,当齿轮转动时,齿轮脱开侧的空间的体积从小变大,形成真空,将液体吸入,齿轮啮合侧的空间的体积从大变小,而将液体挤入管路中去。吸入腔与排出腔是靠两个齿轮的啮合线来隔开的。齿轮泵的排出口的压力完全取决于泵出口处阻力的大小。

相关新闻
EATON-VICKERS阀的具体型号表,伊顿威格士电磁阀
2025-01-12 15:41:02
以下是一份EATON-VICKERS(伊顿威格士)阀的部分具体型号表,涵盖了比例阀、电磁阀等多个类别。请注意,由于EATON-VICKERS的产品线非常广泛,以下仅列举了一些常见型号,可能并不全面。 EATON-VIC...
美国vickers叶片泵工作原理, 伊顿威格士液压泵
2025-01-15 15:27:28
美国VICKERS叶片泵的工作原理主要基于容积的变化来实现吸油和排油,因此也被称为容积式液压泵。以下是其详细的工作原理: 一、基本构造 VICKERS叶片泵由转子、定子、叶片、配油盘和端盖等部件组成。其中,定子具有圆...
丹尼逊叶片泵型号规格大全,DENISON叶片泵样本
2025-01-06 14:52:14
丹尼逊(DENISON)叶片泵拥有多种型号规格,以下是其主要系列及部分型号的详细介绍,同时也提供了一个简化的DENISON叶片泵样本概览: 一、丹尼逊叶片泵主要系列 T6系列叶片泵 T6C单联泵:排量范围从003(约...
![【bv1946官方网站下载地址
】液压元件[液压油泵,电磁阀]一站式服务平台](upload/20210127173032768281.png)




