品牌展示
- YUKEN油研液压
- REXROTH液压泵
- VICKERS液压油泵
- DAIKIN液压油泵
- PARKER液压油泵
- NACHI液压油泵
- DENISON液压油泵
- Marzocchi齿轮泵
- Sumitomo齿轮泵
- Danfoss液压泵
- Berarma叶片泵
- YEOSHE液压泵
- 东京计器液压泵
- SALAMI齿轮油泵
- VIVOIL齿轮油泵
- CASAPPA齿轮泵
- Caproni齿轮油泵
- Bucher齿轮泵
- HESPER齿轮泵
- HYDAC齿轮泵
- Roquet齿轮泵
- Bondioli齿轮泵
- Jihostroj齿轮泵
- Duplomatic迪普马
- METARIS齿轮泵
- ATOS齿轮油泵
- KRACHT齿轮泵
- Brevini齿轮油泵
- RONZIO齿轮泵
- 沃尔沃齿轮泵
- Commercial液压泵
- LINDE液压油泵
- HAWE液压油泵
- Kawasaki液压泵
- 赫格隆液压马达
- 力士乐减速机
- 其他齿轮泵
- 维修服务
最新动态
- 01YUKEN油研电磁阀dsg-01-3c3-d24-n1-50价格,型号说明
- 02挖机液压泵维修,卡特挖机液压泵的维修步骤
- 03REXROTH力士乐AZPF,AZPB,AZPN系列齿轮泵性能参数及特征
- 04PARKER派克轴向柱塞泵PV028R1K1T1N-MMC价格,性能参数及使用说明
- 05日本东京计器柱塞泵P16V,P21V,P100V,P70V系列型号大全,性能参数
- 06台湾油昇yeoshe柱塞泵型号大全,特征及应用
- 07VIVOIL齿轮泵,VIVOIL液压齿轮泵/马达型号大全,特征及应用说明
- 08A3H泵有哪些型号? YUKEN油研A3H系列高压变量柱塞泵有哪些优势
- 09Caproni齿轮泵有哪些型号,这些型号的详细参数和特点是什么

首页SALAMI齿轮油泵产品详情

1.5DRE萨拉米salami齿轮分隔器
品牌类型:
发布时间:
SALAMI齿轮油泵
2022-12-20 10:23:19
温馨提示:由于产品型号太多,网站只能列出部分产品信息。如您在网站中未能找到您需要的型号,请咨询我们的在线客服!
咨询热线:13686884195 / 0755-29874345
详情介绍
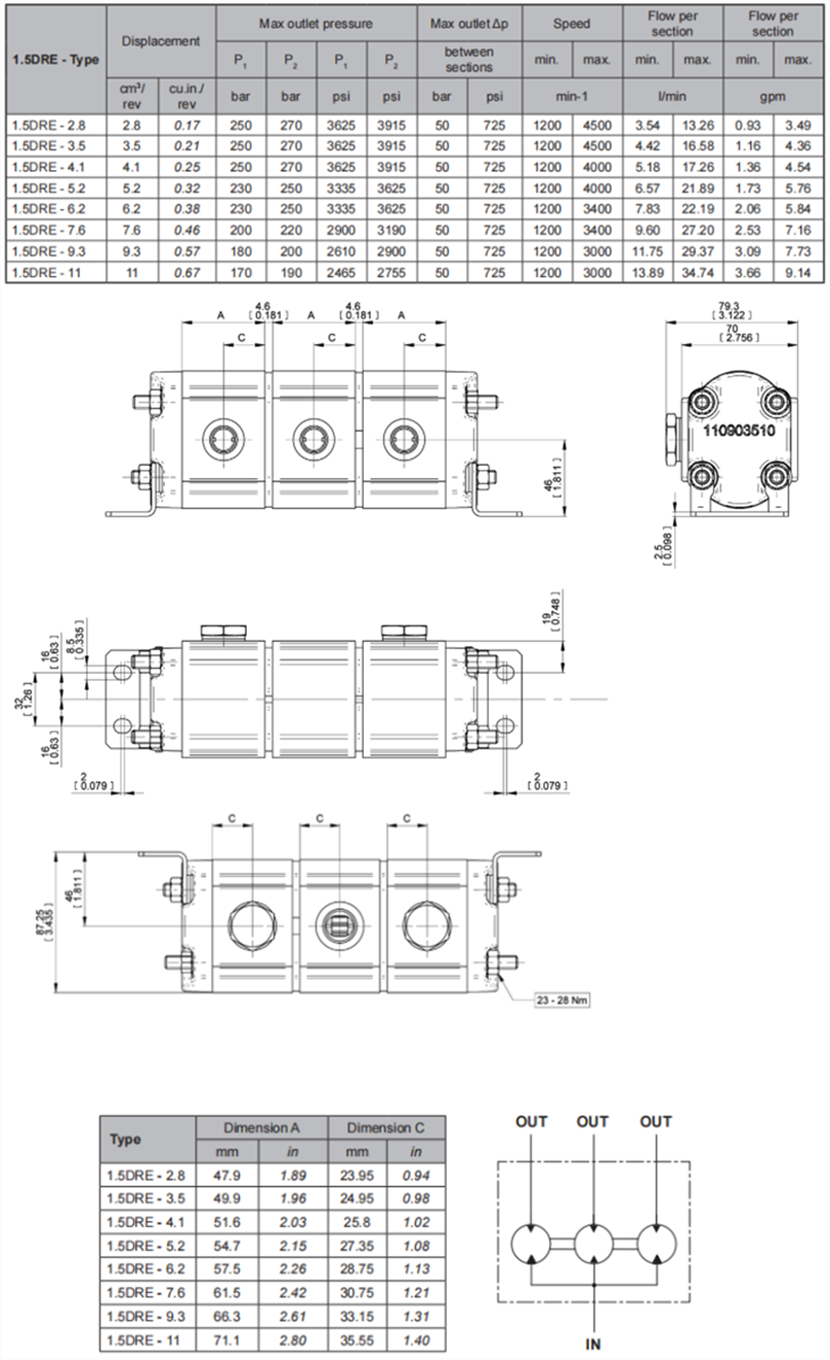
1.5DRE萨拉米salami齿轮分隔器
齿轮分流器由铝合金阀体和铸铁端盖制成。
通过浮动衬套和轴向补偿实现高容积效率。
带有12个齿的整体齿轮。
港口:欧洲、德国和SAE标准。
侧盖上也有通用进气口。
最多可组装6个阶段。
2DRE-VA:气缸同步功能。
1.5DRE萨拉米salami齿轮分隔器参数:

分流器由两个或多个模块化元件(级)组成,驱动齿轮机械连接这使得它们以相同的速度转动。不同于多个泵,其中输入功率是机械的(轴连接到电机),在分流器中,输入功率是液压的,即。
压力流向模块化元件供应,模块化元件连接到液压回路用户。
每个元件的流量部分由其标称流量决定。因此,与具有可变端口的标准静态分流器不同,分流器不会造成耗散,并且更加精确。
使用分流器可减少所需泵的数量以及相关人员
机械功率输出和复杂的机械耦合器(损耗更大)。总输入功率为总是等于所有元件提供的功率加上小功率损耗的总和,通常可以忽略不计。
因此,如果在一段时间内,液压回路所需的功率等于零(非活动排水回路),则为该回路供电的元件提供的功率可用于其他元件也可以在比进气压力更高的压力下工作。
典型应用
分流器
通过单个泵提供两个或多个独立的液压回路,总流量等于流量之和。
此类应用的示例:
?升降平台和桥梁;
?液压折弯机和剪切机;
?货运集装箱的吊装;
?润滑系统;
?闸门的液压开启/关闭;
?自动液压驱动机器;
?启动施工模板;
?木材加工机械;
?由液压缸或电机驱动的小车运输;
?食品工业设备;
?军事设施。
压力放大器
如果一条管线需要比其他管线更高的工作压力或峰值压力,那么分流器将成为比所有管线压力升级更好的解决方案。
使用两元件分流器,可以从第一元件的出口排出流量第二元件中的压力变得高于主泵上的压力。
此类应用的示例:
?快速移动的压力机
?机床
齿轮分流器由铝合金阀体和铸铁端盖制成。
通过浮动衬套和轴向补偿实现高容积效率。
带有12个齿的整体齿轮。
港口:欧洲、德国和SAE标准。
侧盖上也有通用进气口。
最多可组装6个阶段。
2DRE-VA:气缸同步功能。
1.5DRE萨拉米salami齿轮分隔器参数:

分流器由两个或多个模块化元件(级)组成,驱动齿轮机械连接这使得它们以相同的速度转动。不同于多个泵,其中输入功率是机械的(轴连接到电机),在分流器中,输入功率是液压的,即。
压力流向模块化元件供应,模块化元件连接到液压回路用户。
每个元件的流量部分由其标称流量决定。因此,与具有可变端口的标准静态分流器不同,分流器不会造成耗散,并且更加精确。
使用分流器可减少所需泵的数量以及相关人员
机械功率输出和复杂的机械耦合器(损耗更大)。总输入功率为总是等于所有元件提供的功率加上小功率损耗的总和,通常可以忽略不计。
因此,如果在一段时间内,液压回路所需的功率等于零(非活动排水回路),则为该回路供电的元件提供的功率可用于其他元件也可以在比进气压力更高的压力下工作。
典型应用
分流器
通过单个泵提供两个或多个独立的液压回路,总流量等于流量之和。
此类应用的示例:
?升降平台和桥梁;
?液压折弯机和剪切机;
?货运集装箱的吊装;
?润滑系统;
?闸门的液压开启/关闭;
?自动液压驱动机器;
?启动施工模板;
?木材加工机械;
?由液压缸或电机驱动的小车运输;
?食品工业设备;
?军事设施。
压力放大器
如果一条管线需要比其他管线更高的工作压力或峰值压力,那么分流器将成为比所有管线压力升级更好的解决方案。
使用两元件分流器,可以从第一元件的出口排出流量第二元件中的压力变得高于主泵上的压力。
此类应用的示例:
?快速移动的压力机
?机床
![【bv1946官方网站下载地址
】液压元件[液压油泵,电磁阀]一站式服务平台](upload/20210127173032768281.png)





