品牌展示
- YUKEN油研液压
- REXROTH液压泵
- VICKERS液压油泵
- DAIKIN液压油泵
- PARKER液压油泵
- NACHI液压油泵
- DENISON液压油泵
- Marzocchi齿轮泵
- Sumitomo齿轮泵
- Danfoss液压泵
- Berarma叶片泵
- YEOSHE液压泵
- 东京计器液压泵
- SALAMI齿轮油泵
- VIVOIL齿轮油泵
- CASAPPA齿轮泵
- Caproni齿轮油泵
- Bucher齿轮泵
- HESPER齿轮泵
- HYDAC齿轮泵
- Roquet齿轮泵
- Bondioli齿轮泵
- Jihostroj齿轮泵
- Duplomatic迪普马
- METARIS齿轮泵
- ATOS齿轮油泵
- KRACHT齿轮泵
- Brevini齿轮油泵
- RONZIO齿轮泵
- 沃尔沃齿轮泵
- Commercial液压泵
- LINDE液压油泵
- HAWE液压油泵
- Kawasaki液压泵
- 赫格隆液压马达
- 力士乐减速机
- 其他齿轮泵
- 维修服务
最新动态
- 01YUKEN油研电磁阀dsg-01-3c3-d24-n1-50价格,型号说明
- 02挖机液压泵维修,卡特挖机液压泵的维修步骤
- 03REXROTH力士乐AZPF,AZPB,AZPN系列齿轮泵性能参数及特征
- 04PARKER派克轴向柱塞泵PV028R1K1T1N-MMC价格,性能参数及使用说明
- 05日本东京计器柱塞泵P16V,P21V,P100V,P70V系列型号大全,性能参数
- 06台湾油昇yeoshe柱塞泵型号大全,特征及应用
- 07VIVOIL齿轮泵,VIVOIL液压齿轮泵/马达型号大全,特征及应用说明
- 08A3H泵有哪些型号? YUKEN油研A3H系列高压变量柱塞泵有哪些优势
- 09Caproni齿轮泵有哪些型号,这些型号的详细参数和特点是什么

首页Marzocchi齿轮泵产品详情

ALP3A-D-* 系列齿轮泵
品牌类型:
发布时间:
Marzocchi齿轮泵
2024-12-04 16:24:13
温馨提示:由于产品型号太多,网站只能列出部分产品信息。如您在网站中未能找到您需要的型号,请咨询我们的在线客服!
咨询热线:13686884195 / 0755-29874345
详情介绍
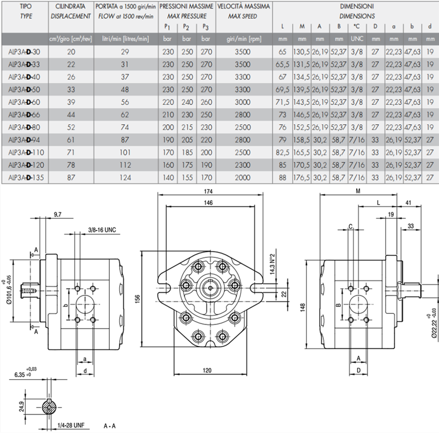
马祖奇齿轮泵ALP3A-D系列相关型号:
ALP3A-D-30 , ALP3A-D-33 , ALP3A-D-40 , ALP3A-D-50 , ALP3A-D-60 , ALP3A-D-66
ALP3A-D-80 , ALP3A-D-94 , ALP3A-D-110 , ALP3A-D-120 , ALP3A-D-135
马祖奇ALP3A-D系列齿轮泵参数及尺寸:

意大利MARZOCCHI马祖奇ALP3A-D-* 系列齿轮泵是Marzocchi公司推出的一款高性能齿轮泵,以下是对其的详细介绍:
一、产品概述
ALP3A-D-* 系列齿轮泵是意大利Marzocchi公司的高压齿轮泵产品,具有压力高、压力稳定、噪音小、交货周期快、性价比高等优点。系列该齿轮泵采用高性能材料和先进的齿轮设计,能够在高压力和高温环境下高效地传输流体。
二、技术特点
高效能:ALP3A-D-* 系列齿轮泵的设计注重效率,减少了能源消耗和热量生成,使得泵在长时间运行中保持稳定的性能。
长寿命:该系列齿轮泵的坚固和耐用的设计能够承受严苛的工作环境。其齿轮和轴承寿命长,减少了维修和更换的频率,从而降低了运营成本。
维护简便:ALP3A-D-* 系列齿轮泵的设计使得维护和检查变得简单方便。模块化设计使得快速更换磨损部件成为可能,减少了停机时间,提高了设备的利用率。
多种配置:该系列齿轮泵提供多种排量、压力等级和驱动方式等配置,以满足不同客户的需求。
可靠性高:ALP3A-D-* 系列齿轮泵具有高度的可靠性和稳定性,能够在各种工作条件下稳定运行,减少了故障和停机时间。
三、型号与规格
ALP3A-D-* 系列齿轮泵中的“*”代表不同的排量数值,用户可以根据实际需求选择合适的型号。具体型号和规格可能因生产批次和市场需求而有所变化,建议直接咨询Marzocchi公司或相关代理商以获取最新信息。
四、应用领域
ALP3A-D-* 系列齿轮泵广泛应用于需要高压力、高温传输流体的应用场景,如试验机械、液压裁断机械、制鞋机械等行业。此外,该系列齿轮泵还适用于各种液压系统、燃油系统、润滑系统和冷却系统等。
五、使用与维护建议
使用前检查:在使用前,请检查齿轮泵的安装是否正确,确保各部件连接牢固可靠。同时,检查润滑油的油位和质量是否符合要求。
定期维护:定期对齿轮泵进行维护,包括清洗、更换润滑油和磨损部件等。确保齿轮泵处于良好的工作状态。
注意监测:在运行过程中,注意监测齿轮泵的工作状态,包括压力、流量和温度等参数。及时发现并处理异常情况,避免故障扩大。
综上所述,意大利MARZOCCHI马祖奇ALP3A-D-* 系列齿轮泵以其高效能、长寿命、维护简便和多种配置等特点,在各个领域得到了广泛应用。在使用过程中,请注意遵循使用和维护规范,以确保其长期稳定运行。
ALP3A-D-30 , ALP3A-D-33 , ALP3A-D-40 , ALP3A-D-50 , ALP3A-D-60 , ALP3A-D-66
ALP3A-D-80 , ALP3A-D-94 , ALP3A-D-110 , ALP3A-D-120 , ALP3A-D-135
马祖奇ALP3A-D系列齿轮泵参数及尺寸:

一、产品概述
ALP3A-D-* 系列齿轮泵是意大利Marzocchi公司的高压齿轮泵产品,具有压力高、压力稳定、噪音小、交货周期快、性价比高等优点。系列该齿轮泵采用高性能材料和先进的齿轮设计,能够在高压力和高温环境下高效地传输流体。
二、技术特点
高效能:ALP3A-D-* 系列齿轮泵的设计注重效率,减少了能源消耗和热量生成,使得泵在长时间运行中保持稳定的性能。
长寿命:该系列齿轮泵的坚固和耐用的设计能够承受严苛的工作环境。其齿轮和轴承寿命长,减少了维修和更换的频率,从而降低了运营成本。
维护简便:ALP3A-D-* 系列齿轮泵的设计使得维护和检查变得简单方便。模块化设计使得快速更换磨损部件成为可能,减少了停机时间,提高了设备的利用率。
多种配置:该系列齿轮泵提供多种排量、压力等级和驱动方式等配置,以满足不同客户的需求。
可靠性高:ALP3A-D-* 系列齿轮泵具有高度的可靠性和稳定性,能够在各种工作条件下稳定运行,减少了故障和停机时间。
三、型号与规格
ALP3A-D-* 系列齿轮泵中的“*”代表不同的排量数值,用户可以根据实际需求选择合适的型号。具体型号和规格可能因生产批次和市场需求而有所变化,建议直接咨询Marzocchi公司或相关代理商以获取最新信息。
四、应用领域
ALP3A-D-* 系列齿轮泵广泛应用于需要高压力、高温传输流体的应用场景,如试验机械、液压裁断机械、制鞋机械等行业。此外,该系列齿轮泵还适用于各种液压系统、燃油系统、润滑系统和冷却系统等。
五、使用与维护建议
使用前检查:在使用前,请检查齿轮泵的安装是否正确,确保各部件连接牢固可靠。同时,检查润滑油的油位和质量是否符合要求。
定期维护:定期对齿轮泵进行维护,包括清洗、更换润滑油和磨损部件等。确保齿轮泵处于良好的工作状态。
注意监测:在运行过程中,注意监测齿轮泵的工作状态,包括压力、流量和温度等参数。及时发现并处理异常情况,避免故障扩大。
综上所述,意大利MARZOCCHI马祖奇ALP3A-D-* 系列齿轮泵以其高效能、长寿命、维护简便和多种配置等特点,在各个领域得到了广泛应用。在使用过程中,请注意遵循使用和维护规范,以确保其长期稳定运行。
![【bv1946官方网站下载地址
】液压元件[液压油泵,电磁阀]一站式服务平台](upload/20210127173032768281.png)





