品牌展示
- YUKEN油研液压
- REXROTH液压泵
- VICKERS液压油泵
- DAIKIN液压油泵
- PARKER液压油泵
- NACHI液压油泵
- DENISON液压油泵
- Marzocchi齿轮泵
- Sumitomo齿轮泵
- Danfoss液压泵
- Berarma叶片泵
- YEOSHE液压泵
- 东京计器液压泵
- SALAMI齿轮油泵
- VIVOIL齿轮油泵
- CASAPPA齿轮泵
- Caproni齿轮油泵
- Bucher齿轮泵
- HESPER齿轮泵
- HYDAC齿轮泵
- Roquet齿轮泵
- Bondioli齿轮泵
- Jihostroj齿轮泵
- Duplomatic迪普马
- METARIS齿轮泵
- ATOS齿轮油泵
- KRACHT齿轮泵
- Brevini齿轮油泵
- RONZIO齿轮泵
- 沃尔沃齿轮泵
- Commercial液压泵
- LINDE液压油泵
- HAWE液压油泵
- Kawasaki液压泵
- 赫格隆液压马达
- 力士乐减速机
- 其他齿轮泵
- 维修服务
最新动态
- 01YUKEN油研电磁阀dsg-01-3c3-d24-n1-50价格,型号说明
- 02挖机液压泵维修,卡特挖机液压泵的维修步骤
- 03REXROTH力士乐AZPF,AZPB,AZPN系列齿轮泵性能参数及特征
- 04PARKER派克轴向柱塞泵PV028R1K1T1N-MMC价格,性能参数及使用说明
- 05日本东京计器柱塞泵P16V,P21V,P100V,P70V系列型号大全,性能参数
- 06台湾油昇yeoshe柱塞泵型号大全,特征及应用
- 07VIVOIL齿轮泵,VIVOIL液压齿轮泵/马达型号大全,特征及应用说明
- 08A3H泵有哪些型号? YUKEN油研A3H系列高压变量柱塞泵有哪些优势
- 09Caproni齿轮泵有哪些型号,这些型号的详细参数和特点是什么

首页Marzocchi齿轮泵产品详情

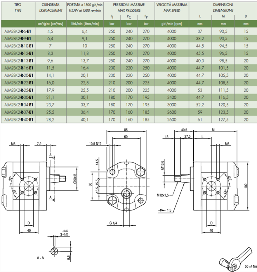
ALM2BK2-R-* 系列齿轮马达
品牌类型:
发布时间:
Marzocchi齿轮泵
2024-12-25 15:58:56
温馨提示:由于产品型号太多,网站只能列出部分产品信息。如您在网站中未能找到您需要的型号,请咨询我们的在线客服!
咨询热线:13686884195 / 0755-29874345
详情介绍
马祖奇ALM2BK2-R-* 系列齿轮马达参数及尺寸:

马祖奇齿轮马达ALM2BK2-R-* 系列相关型号:
一、产品概述
ALM2BK2齿轮马达是意大利马祖奇(Marzocchi)公司的一款经典产品,广泛应用于各种需要高效、稳定动力输出的工业领域。该马达结合了先进的设计理念和高质量的制造工艺,以确保在各种工况下都能提供卓越的性能。
二、产品特点
高效能:ALM2BK2齿轮马达采用高性能材料和优化的齿轮设计,能够在高压力和高温环境下高效地传输流体,提供稳定的动力输出。
可靠性:坚固和耐用的设计使得该马达能够承受严苛的工作环境,减少维修和更换的频率,降低运营成本。
维护简便:模块化设计使得快速更换磨损部件成为可能,减少了停机时间,提高了设备的利用率。
多种配置:提供多种排量、压力、电压和驱动方式等配置选项,以满足不同应用需求。
紧凑设计:节省安装空间,同时运行时产生的噪音低,改善了工作环境。
三、应用领域
ALM2BK2齿轮马达广泛应用于各种需要高压力、高温传输流体的应用场景,包括但不限于:
工程机械:如挖掘机、装载机、起重机等,这些设备需要稳定且高效的动力输出以应对复杂的工况。
农业机械:如拖拉机、收割机、播种机等,这些设备在作业过程中需要承受较大的负荷和振动,ALM2BK2齿轮马达能够提供可靠的动力支持。
工业设备:如注塑机、压力机、机床等,这些设备需要高精度的控制和稳定的动力输出以保证生产效率和产品质量。
四、维护与保养
为确保ALM2BK2齿轮马达的长期稳定运行,用户应定期进行维护和保养,包括:
检查油液:定期检查油液的清洁度和粘度,确保油液符合规定要求。
更换滤芯:定期更换油液滤芯,防止杂质进入液压系统。
清洗油箱:定期清洗油箱和管路,去除沉积物和污垢。
检查密封件:定期检查密封件的状态,如有磨损或老化应及时更换。
五、注意事项
安装:在安装ALM2BK2齿轮马达时,应确保安装位置正确、固定牢靠,并避免受到过大的冲击和振动。
操作:在操作过程中,应遵守操作规程和安全规范,避免超载和长时间连续工作。
维修:在维修过程中,应由专业人员进行操作,避免损坏马达内部结构或影响其性能。
综上所述,意大利马祖奇ALM2BK2齿轮马达以其高性能、可靠性和耐用性而备受青睐。在选择和使用时,用户应根据实际需求选择合适的型号和规格,并遵循操作规程和安全规范进行操作和维护。

ALM2BK2-R-6-E1 、ALM2BK2-R-9-E1 、ALM2BK2-R-10-E1、ALM2BK2-R-12-E1、ALM2BK2-R-13-E1
ALM2BK2-R-20-E1、ALM2BK2-R-22-E1、ALM2BK2-R-25-E1、ALM2BK2-R-30-E1、ALM2BK2-R-34-E1
ALM2BK2-R-37-E1、ALM2BK2-R-40-E1、ALM2BK2-R-16-E1
一、产品概述
ALM2BK2齿轮马达是意大利马祖奇(Marzocchi)公司的一款经典产品,广泛应用于各种需要高效、稳定动力输出的工业领域。该马达结合了先进的设计理念和高质量的制造工艺,以确保在各种工况下都能提供卓越的性能。
二、产品特点
高效能:ALM2BK2齿轮马达采用高性能材料和优化的齿轮设计,能够在高压力和高温环境下高效地传输流体,提供稳定的动力输出。
可靠性:坚固和耐用的设计使得该马达能够承受严苛的工作环境,减少维修和更换的频率,降低运营成本。
维护简便:模块化设计使得快速更换磨损部件成为可能,减少了停机时间,提高了设备的利用率。
多种配置:提供多种排量、压力、电压和驱动方式等配置选项,以满足不同应用需求。
紧凑设计:节省安装空间,同时运行时产生的噪音低,改善了工作环境。
三、应用领域
ALM2BK2齿轮马达广泛应用于各种需要高压力、高温传输流体的应用场景,包括但不限于:
工程机械:如挖掘机、装载机、起重机等,这些设备需要稳定且高效的动力输出以应对复杂的工况。
农业机械:如拖拉机、收割机、播种机等,这些设备在作业过程中需要承受较大的负荷和振动,ALM2BK2齿轮马达能够提供可靠的动力支持。
工业设备:如注塑机、压力机、机床等,这些设备需要高精度的控制和稳定的动力输出以保证生产效率和产品质量。
四、维护与保养
为确保ALM2BK2齿轮马达的长期稳定运行,用户应定期进行维护和保养,包括:
检查油液:定期检查油液的清洁度和粘度,确保油液符合规定要求。
更换滤芯:定期更换油液滤芯,防止杂质进入液压系统。
清洗油箱:定期清洗油箱和管路,去除沉积物和污垢。
检查密封件:定期检查密封件的状态,如有磨损或老化应及时更换。
五、注意事项
安装:在安装ALM2BK2齿轮马达时,应确保安装位置正确、固定牢靠,并避免受到过大的冲击和振动。
操作:在操作过程中,应遵守操作规程和安全规范,避免超载和长时间连续工作。
维修:在维修过程中,应由专业人员进行操作,避免损坏马达内部结构或影响其性能。
综上所述,意大利马祖奇ALM2BK2齿轮马达以其高性能、可靠性和耐用性而备受青睐。在选择和使用时,用户应根据实际需求选择合适的型号和规格,并遵循操作规程和安全规范进行操作和维护。
![【bv1946官方网站下载地址
】液压元件[液压油泵,电磁阀]一站式服务平台](upload/20210127173032768281.png)





