品牌展示
- YUKEN油研液压
- REXROTH液压泵
- VICKERS液压油泵
- DAIKIN液压油泵
- PARKER液压油泵
- NACHI液压油泵
- DENISON液压油泵
- Marzocchi齿轮泵
- Sumitomo齿轮泵
- Danfoss液压泵
- Berarma叶片泵
- YEOSHE液压泵
- 东京计器液压泵
- SALAMI齿轮油泵
- VIVOIL齿轮油泵
- CASAPPA齿轮泵
- Caproni齿轮油泵
- Bucher齿轮泵
- HESPER齿轮泵
- HYDAC齿轮泵
- Roquet齿轮泵
- Bondioli齿轮泵
- Jihostroj齿轮泵
- Duplomatic迪普马
- METARIS齿轮泵
- ATOS齿轮油泵
- KRACHT齿轮泵
- Brevini齿轮油泵
- RONZIO齿轮泵
- 沃尔沃齿轮泵
- Commercial液压泵
- LINDE液压油泵
- HAWE液压油泵
- Kawasaki液压泵
- 赫格隆液压马达
- 力士乐减速机
- 其他齿轮泵
- 维修服务
最新动态
- 01YUKEN油研电磁阀dsg-01-3c3-d24-n1-50价格,型号说明
- 02挖机液压泵维修,卡特挖机液压泵的维修步骤
- 03REXROTH力士乐AZPF,AZPB,AZPN系列齿轮泵性能参数及特征
- 04PARKER派克轴向柱塞泵PV028R1K1T1N-MMC价格,性能参数及使用说明
- 05日本东京计器柱塞泵P16V,P21V,P100V,P70V系列型号大全,性能参数
- 06台湾油昇yeoshe柱塞泵型号大全,特征及应用
- 07VIVOIL齿轮泵,VIVOIL液压齿轮泵/马达型号大全,特征及应用说明
- 08A3H泵有哪些型号? YUKEN油研A3H系列高压变量柱塞泵有哪些优势
- 09Caproni齿轮泵有哪些型号,这些型号的详细参数和特点是什么


CHP1 系列齿轮泵
品牌类型:
发布时间:
HESPER齿轮泵
2022-12-31 16:38:01
温馨提示:由于产品型号太多,网站只能列出部分产品信息。如您在网站中未能找到您需要的型号,请咨询我们的在线客服!
咨询热线:13686884195 / 0755-29874345
详情介绍
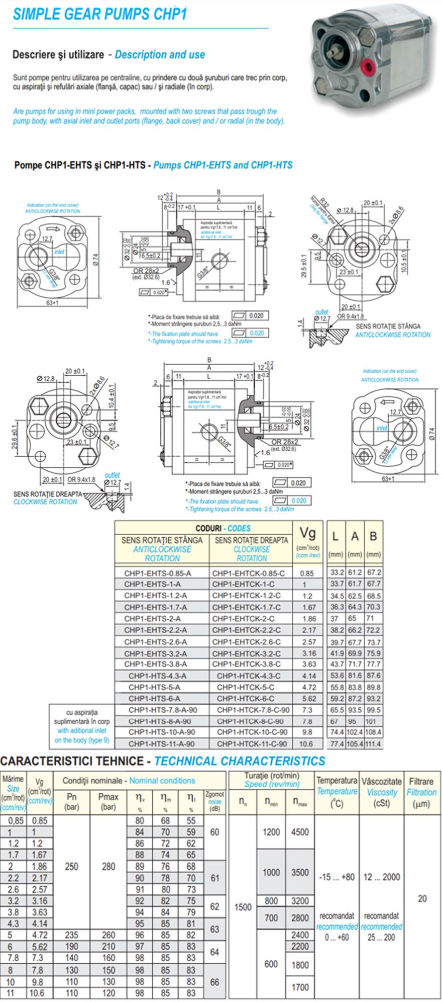
赫思博CHP1 泵:
Vg = 0,85 – 11 ccm/rev
Pres nom = 高达 250 bar
Pres max = 高达 280 bar
是专门用于微型电源组的泵,用两个穿过泵体的螺钉安装,具有轴向入口和出口(在法兰、后盖上)和/或径向(在泵体上)。
HESPER赫思博CHP1 泵型号说明:

注:
-Pn:公称压力
-在标称条件下和在0油粘度为30…40 mm/s。
-禁止给泵的驱动轴加载负载在使用过程中为径向或轴向。
-如果您要求的产品配置不在Hesper目录中,请联系我们
HESPER赫思博齿轮泵
Vg = 0,85 – 11 ccm/rev
Pres nom = 高达 250 bar
Pres max = 高达 280 bar
是专门用于微型电源组的泵,用两个穿过泵体的螺钉安装,具有轴向入口和出口(在法兰、后盖上)和/或径向(在泵体上)。
HESPER赫思博CHP1 泵型号说明:

注:
-Pn:公称压力
-在标称条件下和在0油粘度为30…40 mm/s。
-禁止给泵的驱动轴加载负载在使用过程中为径向或轴向。
-如果您要求的产品配置不在Hesper目录中,请联系我们
HESPER赫思博齿轮泵
![【bv1946官方网站下载地址
】液压元件[液压油泵,电磁阀]一站式服务平台](upload/20210127173032768281.png)





