品牌展示
- YUKEN油研液压
- REXROTH液压泵
- VICKERS液压油泵
- DAIKIN液压油泵
- PARKER液压油泵
- NACHI液压油泵
- DENISON液压油泵
- Marzocchi齿轮泵
- Sumitomo齿轮泵
- Danfoss液压泵
- Berarma叶片泵
- YEOSHE液压泵
- 东京计器液压泵
- SALAMI齿轮油泵
- VIVOIL齿轮油泵
- CASAPPA齿轮泵
- Caproni齿轮油泵
- Bucher齿轮泵
- HESPER齿轮泵
- HYDAC齿轮泵
- Roquet齿轮泵
- Bondioli齿轮泵
- Jihostroj齿轮泵
- Duplomatic迪普马
- METARIS齿轮泵
- ATOS齿轮油泵
- KRACHT齿轮泵
- Brevini齿轮油泵
- RONZIO齿轮泵
- 沃尔沃齿轮泵
- Commercial液压泵
- LINDE液压油泵
- HAWE液压油泵
- Kawasaki液压泵
- 赫格隆液压马达
- 力士乐减速机
- 其他齿轮泵
- 维修服务
最新动态
- 01YUKEN油研电磁阀dsg-01-3c3-d24-n1-50价格,型号说明
- 02挖机液压泵维修,卡特挖机液压泵的维修步骤
- 03REXROTH力士乐AZPF,AZPB,AZPN系列齿轮泵性能参数及特征
- 04PARKER派克轴向柱塞泵PV028R1K1T1N-MMC价格,性能参数及使用说明
- 05日本东京计器柱塞泵P16V,P21V,P100V,P70V系列型号大全,性能参数
- 06台湾油昇yeoshe柱塞泵型号大全,特征及应用
- 07VIVOIL齿轮泵,VIVOIL液压齿轮泵/马达型号大全,特征及应用说明
- 08A3H泵有哪些型号? YUKEN油研A3H系列高压变量柱塞泵有哪些优势
- 09Caproni齿轮泵有哪些型号,这些型号的详细参数和特点是什么

首页Danfoss液压泵产品详情

T90变量柱塞泵75/100 cc/rev
品牌类型:
发布时间:
Danfoss液压泵
2025-01-03 16:24:40
温馨提示:由于产品型号太多,网站只能列出部分产品信息。如您在网站中未能找到您需要的型号,请咨询我们的在线客服!
咨询热线:13686884195 / 0755-29874345
详情介绍
丹佛斯T90变量柱塞泵75/100 cc/rev特 点:
·高质量和可靠性的设计
–被验证的最优9柱塞旋转组件
–专用变量斜盘设计
–在成熟90系列技术的基础上加以改进,使之更加适用于 混凝土搅拌车的应用
–高效的集成补油泵
–可选择排量为75/100 cc/rev
·更为小的外形尺寸,并且便于安装
–外形尺寸更加小,给安装带来了较大的自由度
–更高的功率密度
–集成了高压溢流阀
–系统A,B口全部为公制螺纹
–手动控制
·更高的效率
–更高的效率,系统能量损失更少
–能在发动机低速时给系统提供更高的压力
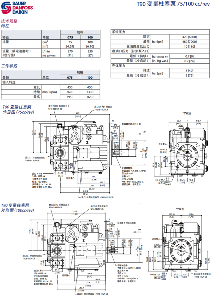
Danfoss丹佛斯T90 变量柱塞泵技术规格及外形图:
·高质量和可靠性的设计
–被验证的最优9柱塞旋转组件
–专用变量斜盘设计
–在成熟90系列技术的基础上加以改进,使之更加适用于 混凝土搅拌车的应用
–高效的集成补油泵
–可选择排量为75/100 cc/rev
·更为小的外形尺寸,并且便于安装
–外形尺寸更加小,给安装带来了较大的自由度
–更高的功率密度
–集成了高压溢流阀
–系统A,B口全部为公制螺纹
–手动控制
·更高的效率
–更高的效率,系统能量损失更少
–能在发动机低速时给系统提供更高的压力
Danfoss丹佛斯T90 变量柱塞泵技术规格及外形图:

![【bv1946官方网站下载地址
】液压元件[液压油泵,电磁阀]一站式服务平台](upload/20210127173032768281.png)





