品牌展示
- YUKEN油研液压
- REXROTH液压泵
- VICKERS液压油泵
- DAIKIN液压油泵
- PARKER液压油泵
- NACHI液压油泵
- DENISON液压油泵
- Marzocchi齿轮泵
- Sumitomo齿轮泵
- Danfoss液压泵
- Berarma叶片泵
- YEOSHE液压泵
- 东京计器液压泵
- SALAMI齿轮油泵
- VIVOIL齿轮油泵
- CASAPPA齿轮泵
- Caproni齿轮油泵
- Bucher齿轮泵
- HESPER齿轮泵
- HYDAC齿轮泵
- Roquet齿轮泵
- Bondioli齿轮泵
- Jihostroj齿轮泵
- Duplomatic迪普马
- METARIS齿轮泵
- ATOS齿轮油泵
- KRACHT齿轮泵
- Brevini齿轮油泵
- RONZIO齿轮泵
- 沃尔沃齿轮泵
- Commercial液压泵
- LINDE液压油泵
- HAWE液压油泵
- Kawasaki液压泵
- 赫格隆液压马达
- 力士乐减速机
- 其他齿轮泵
- 维修服务
最新动态
- 01YUKEN油研电磁阀dsg-01-3c3-d24-n1-50价格,型号说明
- 02挖机液压泵维修,卡特挖机液压泵的维修步骤
- 03REXROTH力士乐AZPF,AZPB,AZPN系列齿轮泵性能参数及特征
- 04PARKER派克轴向柱塞泵PV028R1K1T1N-MMC价格,性能参数及使用说明
- 05日本东京计器柱塞泵P16V,P21V,P100V,P70V系列型号大全,性能参数
- 06台湾油昇yeoshe柱塞泵型号大全,特征及应用
- 07VIVOIL齿轮泵,VIVOIL液压齿轮泵/马达型号大全,特征及应用说明
- 08A3H泵有哪些型号? YUKEN油研A3H系列高压变量柱塞泵有哪些优势
- 09Caproni齿轮泵有哪些型号,这些型号的详细参数和特点是什么



PVS系列不二越NACHI柱塞泵
品牌类型:
发布时间:
NACHI液压油泵
2024-11-05 15:00:42
温馨提示:由于产品型号太多,网站只能列出部分产品信息。如您在网站中未能找到您需要的型号,请咨询我们的在线客服!
咨询热线:13686884195 / 0755-29874345
详情介绍
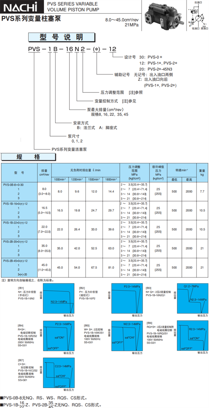
不二越PVS系列变量柱塞泵
·PVS-0B设计号30,体积小,重量轻。低噪音。
·PVS-1B-22,PVS-2B-45增加压力等级3型。(PVS-2B-45*3形设计号为20)。
特点:
① 大幅度降低损耗,节省功率
通过使用NACHI独特设计的半圆柱形斜盘,可以保持稳定的出油量,减少流量损耗,根据负荷周
期有效使用动力。
节省能源,降低了动力损失,实现生产低成本化。
② 运转平稳,低噪音
在滑靴,斜盘,配油盘等各处都采用消音结构。实现了低噪音,特别是通过半圆柱斜盘,稳定了
动作特性,运行时噪音低。
·PVS-0B设计号30,体积小,重量轻。低噪音。
·PVS-1B-22,PVS-2B-45增加压力等级3型。(PVS-2B-45*3形设计号为20)。
特点:
① 大幅度降低损耗,节省功率
通过使用NACHI独特设计的半圆柱形斜盘,可以保持稳定的出油量,减少流量损耗,根据负荷周
期有效使用动力。
节省能源,降低了动力损失,实现生产低成本化。
② 运转平稳,低噪音
在滑靴,斜盘,配油盘等各处都采用消音结构。实现了低噪音,特别是通过半圆柱斜盘,稳定了
动作特性,运行时噪音低。
挖机专用柱塞泵PVK系列。
型号齐全!原装正品!质保一年!欢迎咨询!!

![【bv1946官方网站下载地址
】液压元件[液压油泵,电磁阀]一站式服务平台](upload/20210127173032768281.png)





