品牌展示
- YUKEN油研液压
- REXROTH液压泵
- VICKERS液压油泵
- DAIKIN液压油泵
- PARKER液压油泵
- NACHI液压油泵
- DENISON液压油泵
- Marzocchi齿轮泵
- Sumitomo齿轮泵
- Danfoss液压泵
- Berarma叶片泵
- YEOSHE液压泵
- 东京计器液压泵
- SALAMI齿轮油泵
- VIVOIL齿轮油泵
- CASAPPA齿轮泵
- Caproni齿轮油泵
- Bucher齿轮泵
- HESPER齿轮泵
- HYDAC齿轮泵
- Roquet齿轮泵
- Bondioli齿轮泵
- Jihostroj齿轮泵
- Duplomatic迪普马
- METARIS齿轮泵
- ATOS齿轮油泵
- KRACHT齿轮泵
- Brevini齿轮油泵
- RONZIO齿轮泵
- 沃尔沃齿轮泵
- Commercial液压泵
- LINDE液压油泵
- HAWE液压油泵
- Kawasaki液压泵
- 赫格隆液压马达
- 力士乐减速机
- 其他齿轮泵
- 维修服务
最新动态
- 01YUKEN油研电磁阀dsg-01-3c3-d24-n1-50价格,型号说明
- 02挖机液压泵维修,卡特挖机液压泵的维修步骤
- 03REXROTH力士乐AZPF,AZPB,AZPN系列齿轮泵性能参数及特征
- 04PARKER派克轴向柱塞泵PV028R1K1T1N-MMC价格,性能参数及使用说明
- 05日本东京计器柱塞泵P16V,P21V,P100V,P70V系列型号大全,性能参数
- 06台湾油昇yeoshe柱塞泵型号大全,特征及应用
- 07VIVOIL齿轮泵,VIVOIL液压齿轮泵/马达型号大全,特征及应用说明
- 08A3H泵有哪些型号? YUKEN油研A3H系列高压变量柱塞泵有哪些优势
- 09Caproni齿轮泵有哪些型号,这些型号的详细参数和特点是什么


KRACHT齿轮泵 KF2,5...25
品牌类型:
发布时间:
KRACHT齿轮泵
2023-12-01 14:26:54
温馨提示:由于产品型号太多,网站只能列出部分产品信息。如您在网站中未能找到您需要的型号,请咨询我们的在线客服!
咨询热线:13686884195 / 0755-29874345
详情介绍
KRACHT齿轮泵KF系列 模块化标准泵
在标准版本中,外壳部件由铸铁制成。齿轮由高强度表面硬化钢制成,经过硬化处理并安装在特殊的多材料滑动轴承衬套中。在标准版本中,驱动轴端由旋转轴密封件密封。所有尺寸均由斜齿轮制成。这与特殊的齿轮几何形状相结合,可产生*低的噪音水平和低压脉动。
KRACHT齿轮泵特征:
排量: 0.5 … 3 150 cm³/rev
温度范围: -50 … 200 °C
*大压力: … 25 bar
KRACHT齿轮泵应用:
船用齿轮箱、风力涡轮机和压缩机的润滑油供应
柴油发动机的预润滑和主润滑
过滤系统中的油输送
燃料输送
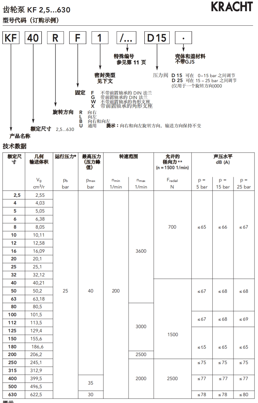
KRACHT齿轮泵型号及参数:


产品特征:
齿轮泵KF用于输送各类液体。
齿轮泵KF
的主要特点是型号多样,可以根据模块设计原理任意组合也能在将来进行扩展。
该泵也适用于润滑性较小的介质。
标准规格的壳体部件由厌铸铁制成。变速箱由高强度渗碳钢制成,并经过硬化处理,固定在由多种材料制成的专用轴瓦上。
标准规格的驱动轴采用径向轴密封圈密封。
所有的结构尺寸都采用斜齿规格。
因此结合特殊的齿轮几何形状可以实现超低声级值和微小的压力波动。
运行提示:
●介质应保证一-定的最低润滑性, 不含有固体且具有化学兼容性。
●避免干运行。
●只能以规定的旋转方向运行泵,否则会损坏轴封。
●为避免出现不允许的过压,在系统内或泵上设计有安全阀。
●泵上安装的限压阀只能用于短时运行。
●为了能够较长时间地输送介质,必须在储罐中使用一个带有回流管的专用限压阀。
在标准版本中,外壳部件由铸铁制成。齿轮由高强度表面硬化钢制成,经过硬化处理并安装在特殊的多材料滑动轴承衬套中。在标准版本中,驱动轴端由旋转轴密封件密封。所有尺寸均由斜齿轮制成。这与特殊的齿轮几何形状相结合,可产生*低的噪音水平和低压脉动。
KRACHT齿轮泵特征:
排量: 0.5 … 3 150 cm³/rev
温度范围: -50 … 200 °C
*大压力: … 25 bar
KRACHT齿轮泵应用:
船用齿轮箱、风力涡轮机和压缩机的润滑油供应
柴油发动机的预润滑和主润滑
过滤系统中的油输送
燃料输送
KRACHT齿轮泵型号及参数:


产品特征:
齿轮泵KF用于输送各类液体。
齿轮泵KF
的主要特点是型号多样,可以根据模块设计原理任意组合也能在将来进行扩展。
该泵也适用于润滑性较小的介质。
标准规格的壳体部件由厌铸铁制成。变速箱由高强度渗碳钢制成,并经过硬化处理,固定在由多种材料制成的专用轴瓦上。
标准规格的驱动轴采用径向轴密封圈密封。
所有的结构尺寸都采用斜齿规格。
因此结合特殊的齿轮几何形状可以实现超低声级值和微小的压力波动。
运行提示:
●介质应保证一-定的最低润滑性, 不含有固体且具有化学兼容性。
●避免干运行。
●只能以规定的旋转方向运行泵,否则会损坏轴封。
●为避免出现不允许的过压,在系统内或泵上设计有安全阀。
●泵上安装的限压阀只能用于短时运行。
●为了能够较长时间地输送介质,必须在储罐中使用一个带有回流管的专用限压阀。
![【bv1946官方网站下载地址
】液压元件[液压油泵,电磁阀]一站式服务平台](upload/20210127173032768281.png)





