最新动态
- 01YUKEN油研电磁阀dsg-01-3c3-d24-n1-50价格,型号说明
- 02挖机液压泵维修,卡特挖机液压泵的维修步骤
- 03REXROTH力士乐AZPF,AZPB,AZPN系列齿轮泵性能参数及特征
- 04PARKER派克轴向柱塞泵PV028R1K1T1N-MMC价格,性能参数及使用说明
- 05日本东京计器柱塞泵P16V,P21V,P100V,P70V系列型号大全,性能参数
- 06台湾油昇yeoshe柱塞泵型号大全,特征及应用
- 07VIVOIL齿轮泵,VIVOIL液压齿轮泵/马达型号大全,特征及应用说明
- 08A3H泵有哪些型号? YUKEN油研A3H系列高压变量柱塞泵有哪些优势
- 09Caproni齿轮泵有哪些型号,这些型号的详细参数和特点是什么

行业新闻
PVXS066-250ES泵尺寸,伊顿威格士PVXS系列变量柱塞泵
发布时间:2024-02-26 17:52:52 浏览次数:440
伊顿威格士PVXS系列变量柱塞泵:
在当今的工业领域,高效、稳定和可靠的流体控制设备是至关重要的。伊顿威格士PVXS系列变量柱塞泵就是这样一个能够满足这些需求的杰出代表。凭借其先进的技术设计和卓越的性能表现,PVXS系列变量柱塞泵已经在多个行业中得到了广泛的应用。
一、PVXS系列变量柱塞泵的技术特点
PVXS系列变量柱塞泵采用了先进的柱塞泵技术,具有出色的流量控制能力和高效的能源利用率。其变量设计使得泵可以根据实际需求调整输出流量,既能够满足生产过程中的不同需求,又能有效地节约能源。此外,PVXS系列泵的结构紧凑、维护简便,大大降低了用户的运营成本。
二、PVXS系列变量柱塞泵的应用领域
PVXS系列变量柱塞泵在多个工业领域中都有出色的表现。在石油化工行业中,它能够为复杂的工艺流程提供稳定的流体输送;在环保领域,PVXS系列泵能够有效地处理各种废水,助力环境保护;在食品加工行业中,其卫生、安全的设计使得产品更符合食品安全标准。
三、伊顿威格士的品质保证
作为世界知名的流体控制设备制造商,伊顿威格士一直致力于为客户提供高品质的产品和服务。PVXS系列变量柱塞泵在设计、生产、测试等各个环节都遵循严格的质量标准,确保每一台出厂的产品都能够满足客户的期望。
四、结语
伊顿威格士PVXS系列变量柱塞泵凭借其卓越的技术性能、广泛的应用领域和伊顿威格士的品质保证,已经成为了工业流体控制领域的佼佼者。无论是对于追求高效生产的企业,还是对于注重环境保护的组织,PVXS系列泵都是一个值得信赖的选择。随着技术的不断进步和应用领域的不断拓展,相信PVXS系列泵将会在未来发挥更加重要的作用。
在当今的工业领域,高效、稳定和可靠的流体控制设备是至关重要的。伊顿威格士PVXS系列变量柱塞泵就是这样一个能够满足这些需求的杰出代表。凭借其先进的技术设计和卓越的性能表现,PVXS系列变量柱塞泵已经在多个行业中得到了广泛的应用。
一、PVXS系列变量柱塞泵的技术特点
PVXS系列变量柱塞泵采用了先进的柱塞泵技术,具有出色的流量控制能力和高效的能源利用率。其变量设计使得泵可以根据实际需求调整输出流量,既能够满足生产过程中的不同需求,又能有效地节约能源。此外,PVXS系列泵的结构紧凑、维护简便,大大降低了用户的运营成本。
二、PVXS系列变量柱塞泵的应用领域
PVXS系列变量柱塞泵在多个工业领域中都有出色的表现。在石油化工行业中,它能够为复杂的工艺流程提供稳定的流体输送;在环保领域,PVXS系列泵能够有效地处理各种废水,助力环境保护;在食品加工行业中,其卫生、安全的设计使得产品更符合食品安全标准。
三、伊顿威格士的品质保证
作为世界知名的流体控制设备制造商,伊顿威格士一直致力于为客户提供高品质的产品和服务。PVXS系列变量柱塞泵在设计、生产、测试等各个环节都遵循严格的质量标准,确保每一台出厂的产品都能够满足客户的期望。
四、结语
伊顿威格士PVXS系列变量柱塞泵凭借其卓越的技术性能、广泛的应用领域和伊顿威格士的品质保证,已经成为了工业流体控制领域的佼佼者。无论是对于追求高效生产的企业,还是对于注重环境保护的组织,PVXS系列泵都是一个值得信赖的选择。随着技术的不断进步和应用领域的不断拓展,相信PVXS系列泵将会在未来发挥更加重要的作用。
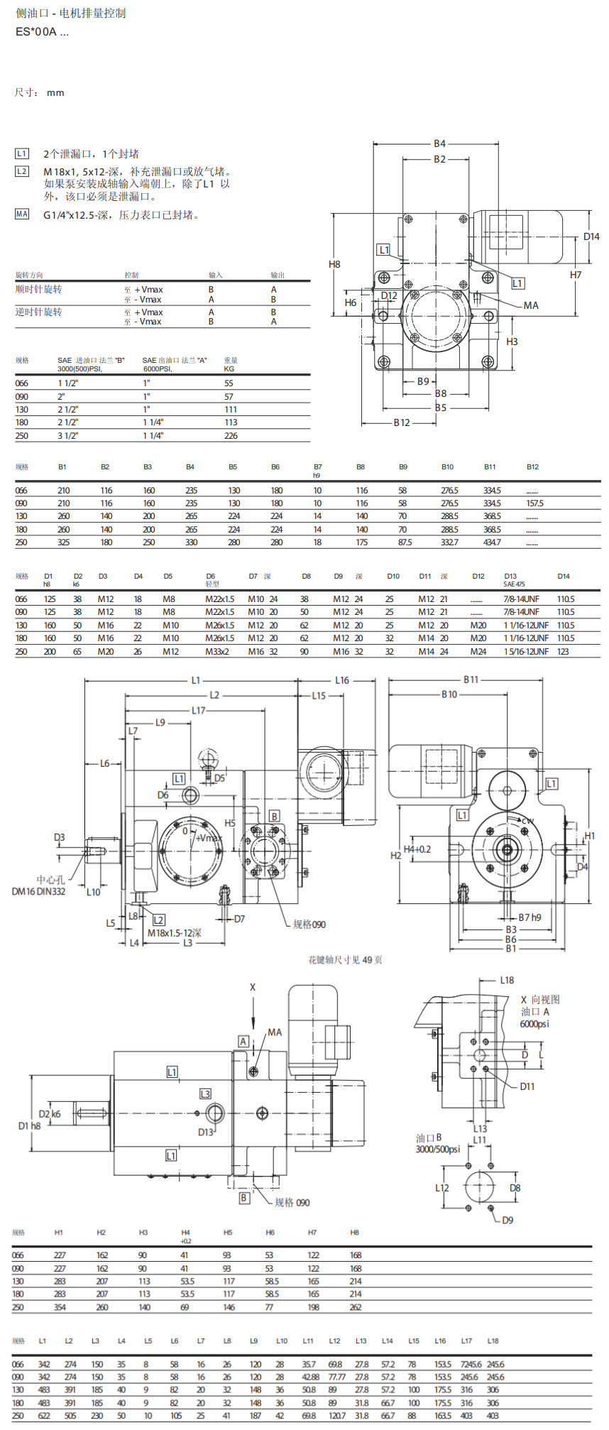
PVXS066-250ES泵尺寸:

相关新闻
丹尼逊叶片泵型号规格大全,DENISON叶片泵样本
2025-01-06 14:52:14
丹尼逊(DENISON)叶片泵拥有多种型号规格,以下是其主要系列及部分型号的详细介绍,同时也提供了一个简化的DENISON叶片泵样本概览: 一、丹尼逊叶片泵主要系列 T6系列叶片泵 T6C单联泵:排量范围从003(约...
挖机液压泵维修,卡特挖机液压泵的维修步骤
2025-02-05 10:20:42
挖机液压泵,特别是卡特挖机液压泵,是挖掘机的重要部件,其维修步骤通常包括以下几个关键环节: 一、故障排查 检查液压油: 确保液压油没有泄漏,油箱内油面高度适中,不低于最低油标线。 检查油液是否清洁,避免灰尘、沙粒等杂...
YUKEN油研电磁阀dsg-01-3c3-d24-n1-50价格,型号说明
2025-02-05 10:52:17
关于YUKEN油研电磁阀DSG-01-3C3-D24-N1-50的价格和型号说明,以下是根据我所掌握的信息给出的详细解答: 一、价格 该电磁阀的价格可能因供应商、销售渠道、购买数量以及市场供需关系等因素而有所差异。根...
![【bv1946官方网站下载地址
】液压元件[液压油泵,电磁阀]一站式服务平台](http://m.longbaobei.com/www/upload/20210127173032768281.png)




