伟德网址
- 力士乐液压泵铭牌上的这些A11VLO190A10VO45AZ各代表什么意思?
- 柱塞泵,叶片泵故障现象及原因分析
- 电动抽油泵怎么样维修保养?怎么使用?
- 派克PGP502齿轮泵,派克PGP505齿轮泵,派克PGP511齿轮泵,派克PGP517齿轮泵
- VICKERS柱塞泵PVB的特性和剖视图,伊顿威格士
- 力士乐柱塞泵A4VSO液压油的选用和注意事项
- 港隆介绍四柱液压机的轴向柱塞泵如何合理使用
- 力士乐液压泵A4VG28/32系列控制原件如何拆装?
- 港隆公司介绍YBX变量叶片泵技术参数
- 液压系统发生故障的主要原因
- 液压油泵噪音过大的原因
- 液压泵故障与维修方法?
- 港隆教您如何处理液压缸活塞损坏的问题
- (威格士液压泵官网)高温齿轮油泵的选购方法与日常维护
- 港隆讲解液压马达转速慢的原因及解决方法
- 液压泵的选择\液压泵的分类\液压泵的符号
- 油力顿型A10VSO/A10VO/A2F/A8VO/A4VSO/A4VG,油力顿柱塞泵完美替代力士乐柱塞泵
- 液压泵维修:A4VG125液压泵压力下降
- 港隆公司介绍力士乐A4VG液压泵结构参数图
- DENISON丹尼逊单联泵,双联泵,三联泵T6,T7,T67系列型号大全,性能参数
- 油研叶片泵,YUKEN双联叶片泵PV2R23-53-85,PV2R23-53-94
- 威格士液压泵电液比例控制的优点和应用
- 威格士柱塞泵PVH系列补偿器控制方式
- 丹尼逊T6系列的流量规格和优特点
- 德国力士乐PVV和PVQ叶片泵的符号和特点
- 德国力士乐A4VG28/32系列维修常规说明
- 力士乐液压泵A4VG 28/32系列的拆卸过程
- 力士乐铭牌上的字代表什么意思?
- 油研PV2R系列叶片泵的排量、压力、输入功率
- 进口的液压泵好还是国产的好?
- T6,T7系列液压泵的具体型号,丹尼逊T6,T7系列叶片泵有哪些应用
- 径向变量柱塞/轴向柱塞泵/斜轴式柱塞泵的特性
- 力士乐柱塞泵A4CSG系列特点
- 力士乐液压泵A4VSO系列使用安全说明
- 液压泵的效率、功率、转矩怎么计算?
- 伊顿威格士20V, 25V, 35V, 45V系列叶片泵产品特点及选型
- 油力顿型VP,PFE系列叶片泵,油力顿叶片泵产品
- VICKERS威格士柱塞泵PVH液压油的清洁度和温度范围
- 威格士柱塞泵PVB系列的安装数据、起动和订货程序
- 威格士柱塞泵PVM系列的特征和优点与用途
- VICKERS威格士液压泵PVQ系列的油液清洁度
- VICKERS威格士单作用叶片泵的平均流量计算
- VICKERS威格士柱塞泵PVM系列型号大全
- 伊顿威格士PVXS系列柱塞泵型号大全,VICKERS液压泵特征及应用
- 大量供应Rexroth力士乐内啮合齿轮泵PGH系列
- VICKERS威格士电磁阀DG4V系列的特点和型号大全
- 力士乐柱塞泵A10VSO45DFR/31R-PPA12NOO型号详解
- VICKERS威格士柱塞泵PVQ系列压力补偿器控制
- YUKEN油研变量泵的操作及保养注意事项
- 液压泵技术教大家快速修复液压系统中的齿轮泵
- 介绍威格士斜轴式轴向柱塞泵原理
- Rexroth力士乐柱塞泵A10VSO系列的DR—压力控制
- 威格士柱塞泵PVH系列C**T压力和扭矩限制器的控制方式
- 齿轮油泵因长时间使用会出现-些问题,该怎么处理呢?
- 怎么样解决威格士叶片泵严重大噪音的问题?
- 力士乐柱塞泵A4VG125DA2D2/32L-NZF02F071SH详细介绍
- 威格士叶片泵的常见故障及排除方法
首页Rexroth力士乐柱塞泵A10VSO系列的DR—压力控制
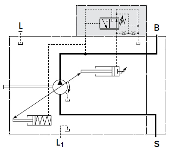
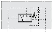
Rexroth力士乐柱塞泵A10VSO系列的DR-压力控制?伟德国际victor1946 液压泵技术部给大家介绍Rexroth力士乐柱塞泵A10VSO系列的DR-压力控制。
压力控制将泵的最大输出压力限制在泵的控制范围内。变量泵仅提供执行器所需的液压油量。如果工作压力超过内置压力阀的压力无级点,泵将调节至较小排量,同时控制偏差将随之减小。可以无级调节控制阀的压力。
静态特性
(n1=1500rpm;t油液=50°C)

1、为了防止损坏泵和系统,该设置范围是允许的设置范围且不得超过。阀的可能设置范围更大。
油路图,规格18至100

油路图,规格140


如您想了解更多相关“Rexroth力士乐柱塞泵A10VSO系列的DR-压力控制”疑问或与液压泵技术相关问题可以与我们联系,我们公司//m.longbaobei.com技术专员会尽最大的能力帮大家解决。
![【bv1946官方网站下载地址
】液压元件[液压油泵,电磁阀]一站式服务平台](http://m.longbaobei.com/www/upload/20210127173032768281.png)

