最新动态
- 01YUKEN油研电磁阀dsg-01-3c3-d24-n1-50价格,型号说明
- 02挖机液压泵维修,卡特挖机液压泵的维修步骤
- 03REXROTH力士乐AZPF,AZPB,AZPN系列齿轮泵性能参数及特征
- 04PARKER派克轴向柱塞泵PV028R1K1T1N-MMC价格,性能参数及使用说明
- 05日本东京计器柱塞泵P16V,P21V,P100V,P70V系列型号大全,性能参数
- 06台湾油昇yeoshe柱塞泵型号大全,特征及应用
- 07VIVOIL齿轮泵,VIVOIL液压齿轮泵/马达型号大全,特征及应用说明
- 08A3H泵有哪些型号? YUKEN油研A3H系列高压变量柱塞泵有哪些优势
- 09Caproni齿轮泵有哪些型号,这些型号的详细参数和特点是什么

公司新闻
港隆介绍VICKERS威格士柱塞泵PVE系列三种控制器
发布时间:2014-10-25 00:00:00 最后更新:2024-10-18 11:40:28 浏览次数:3585伊顿的PVE柱塞泵是直轴变量泵,有三种排量规格可供货,一批可选择的控制方式,提供最大的工作灵活性,泵的排量变化由压力和/或流量补偿器控制。伟德国际victor1946 给大家介绍VICKERS威格士柱塞泵PVE系列三种控制器,VICKERS威格士柱塞泵PVE系列控制方式有:压力补偿器控制,负载传感补偿器和压力限制器和远程控制的压力补偿控制器三种,下面详细介绍。
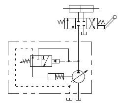
一、VICKERS威格士柱塞泵PVE系列压力补偿器控制
压力补偿器控制,"A" 选项
这种控制针对恒定的系统压力,自动地改变泵的排量,满足系统的流量要求,在补偿器设定的14bar(200psi) 压力内,排量开始减小到零,功率损失减至最少,因此不需要用系统溢流阀。
带最大排量调整的压力补偿器控制
除了用单独的螺栓从100%(额定值)至25%调整最大排量以外,均与上述"A"选项相同。

特别注意:图中带有外部的阀和液压缸表示典型的使用方法。
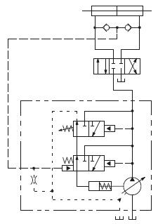
二、VICKERS威格士柱塞泵PVE系列负载传感补偿器和压力限制器
负载传感补偿器和压力限制器"B"选项
这种补偿器在直至想要的最高值的所有压力条件下提供负载传感控制,它响应一个远程压力信号并保持比负载压力约高11bar(160 psi)的出油口压力下自动调节泵的流量。当达到事先设定的最高工作压力时,内装的压力限制器取代负载传感控制,减小泵的排量。在预先设定最高压力的补偿器设定的14bar(200psi)之内,取代开始。24bar的负载传感选项也有货。

特别注意:可选的内部放气节流口直径是.015". 是"A"选项控制的特殊特征。
三、VICKERS威格士柱塞泵PVE系列带有用于远程控制的压力补偿
PVE 带有用于远程控制的压力补偿,"D"选项"J"选项
除了机器的操作者可以使用远程先导溢流阀来改变补偿器设定值之外,均与"A"选项( 压力补偿器选项)相同。

特别注意:用于电气双压力补偿器的套件有货,这种控制在两个预选工作压力的任何一个下自动调节泵的输出流量,保持系统要求的流量。它允许较低一点压力设定,用于小功率起动、设备试验等。这种套件也允许较高的压力设定用于设备使用要求的工况。
本文出自伟德国际victor1946 //m.longbaobei.com提供,转载请注明出处。
![【bv1946官方网站下载地址
】液压元件[液压油泵,电磁阀]一站式服务平台](http://m.longbaobei.com/www/upload/20210127173032768281.png)




