最新动态
- 01YUKEN油研电磁阀dsg-01-3c3-d24-n1-50价格,型号说明
- 02挖机液压泵维修,卡特挖机液压泵的维修步骤
- 03REXROTH力士乐AZPF,AZPB,AZPN系列齿轮泵性能参数及特征
- 04PARKER派克轴向柱塞泵PV028R1K1T1N-MMC价格,性能参数及使用说明
- 05日本东京计器柱塞泵P16V,P21V,P100V,P70V系列型号大全,性能参数
- 06台湾油昇yeoshe柱塞泵型号大全,特征及应用
- 07VIVOIL齿轮泵,VIVOIL液压齿轮泵/马达型号大全,特征及应用说明
- 08A3H泵有哪些型号? YUKEN油研A3H系列高压变量柱塞泵有哪些优势
- 09Caproni齿轮泵有哪些型号,这些型号的详细参数和特点是什么

行业新闻
派克DENISON双联叶片泵T6DC,T6DCM,T6DDS系列安装尺寸说明
发布时间:2022-11-05 13:53:36 浏览次数:1330
派克DENISON双联叶片泵T6DC,T6DCM,T6DDS系列优特点:
.工作压力高 - 额定工作压力高达 275 bar,由此可减小液压执行机构、液压控制阀以及配管的尺寸,使安装成本降低。若降低工作压力使用,可延长工作寿命;
.容积效率高 - 典型的容积效率为 0.94,即使在加载的情况下也具有很高的容积效率,由此可提高生产率,减少发热和降低液压设备的运行成本,并允许满压力工况下的转速低至 600 rpm(车用型泵更可低至 400rpm);
.机械效率高 - 典型值为 0.94,减小了能量损耗;
.转速范围宽 - 转速范围为 600~2800 rpm(车用型泵为 400~2800 rpm),结合在小规格壳体中安装大排量的泵芯组件的方式,可优化工作状态,降低噪声;
.低转速(600 rpm,车用型泵为 400 rpm)、低压力及高粘度(860 cSt,车用型泵为2000 cSt)运行能力 - 使 T6 系列叶片泵能适应低温工况,功耗小且无卡滞危险;
.压力脉动小 - 约±2 bar,由此可减小液压管道的噪声,并延长液压回路中其它元件的使用寿命;
.噪声低 -提高了工作的安全性,增加了被接受程度。
.抗污染能力强 - 本系列泵采用双唇结构的叶片,具有极强的抗污染能力,使用寿命长;
.可选的结构参数和形式丰富 - 如:泵芯排量、传动轴形式、油口的配置形式等,便于用户按安装需要进行选择;
.安装形式的多样性 - 对双联泵可有 32 种安装的组合形式,而对三联泵则可有多达 128 种安装的组合形式,由此可降低成本并提高性能。
.广泛的适用性 - 安装方式符合 SAE J744a 和 ISO 3019-1 规定的 2 孔法兰形式,并配备有各种平键和花键传动轴供选用。对于车用型泵,还具有 T 型传动轴(符合SAE J718c)选项,允许直接与拖拉机配装(转速 540~1000 rpm);
.双重轴封选项 - 车用型泵具有双重轴封的型式(T6*P 型),带有泄油接口,可直接安装到齿轮箱上。
一般使用说明 :
1 检查泵的转向、转速范围、压力、温度、油液质量及粘度;
2 检查泵的吸口条件是否符合使用要求;
3 检查传动轴类型,扭矩是否满足工况要求;
4 选用适当的联轴器以使泵的径向负载(重量、不同轴偏差等引起)最小;
5 过滤:必须满足最低污染度等级的要求;
.工作压力高 - 额定工作压力高达 275 bar,由此可减小液压执行机构、液压控制阀以及配管的尺寸,使安装成本降低。若降低工作压力使用,可延长工作寿命;
.容积效率高 - 典型的容积效率为 0.94,即使在加载的情况下也具有很高的容积效率,由此可提高生产率,减少发热和降低液压设备的运行成本,并允许满压力工况下的转速低至 600 rpm(车用型泵更可低至 400rpm);
.机械效率高 - 典型值为 0.94,减小了能量损耗;
.转速范围宽 - 转速范围为 600~2800 rpm(车用型泵为 400~2800 rpm),结合在小规格壳体中安装大排量的泵芯组件的方式,可优化工作状态,降低噪声;
.低转速(600 rpm,车用型泵为 400 rpm)、低压力及高粘度(860 cSt,车用型泵为2000 cSt)运行能力 - 使 T6 系列叶片泵能适应低温工况,功耗小且无卡滞危险;
.压力脉动小 - 约±2 bar,由此可减小液压管道的噪声,并延长液压回路中其它元件的使用寿命;
.噪声低 -提高了工作的安全性,增加了被接受程度。
.抗污染能力强 - 本系列泵采用双唇结构的叶片,具有极强的抗污染能力,使用寿命长;
.可选的结构参数和形式丰富 - 如:泵芯排量、传动轴形式、油口的配置形式等,便于用户按安装需要进行选择;
.安装形式的多样性 - 对双联泵可有 32 种安装的组合形式,而对三联泵则可有多达 128 种安装的组合形式,由此可降低成本并提高性能。
.广泛的适用性 - 安装方式符合 SAE J744a 和 ISO 3019-1 规定的 2 孔法兰形式,并配备有各种平键和花键传动轴供选用。对于车用型泵,还具有 T 型传动轴(符合SAE J718c)选项,允许直接与拖拉机配装(转速 540~1000 rpm);
.双重轴封选项 - 车用型泵具有双重轴封的型式(T6*P 型),带有泄油接口,可直接安装到齿轮箱上。
一般使用说明 :
1 检查泵的转向、转速范围、压力、温度、油液质量及粘度;
2 检查泵的吸口条件是否符合使用要求;
3 检查传动轴类型,扭矩是否满足工况要求;
4 选用适当的联轴器以使泵的径向负载(重量、不同轴偏差等引起)最小;
5 过滤:必须满足最低污染度等级的要求;
6 工作环境:避免噪声、污染以及冲击的影响。
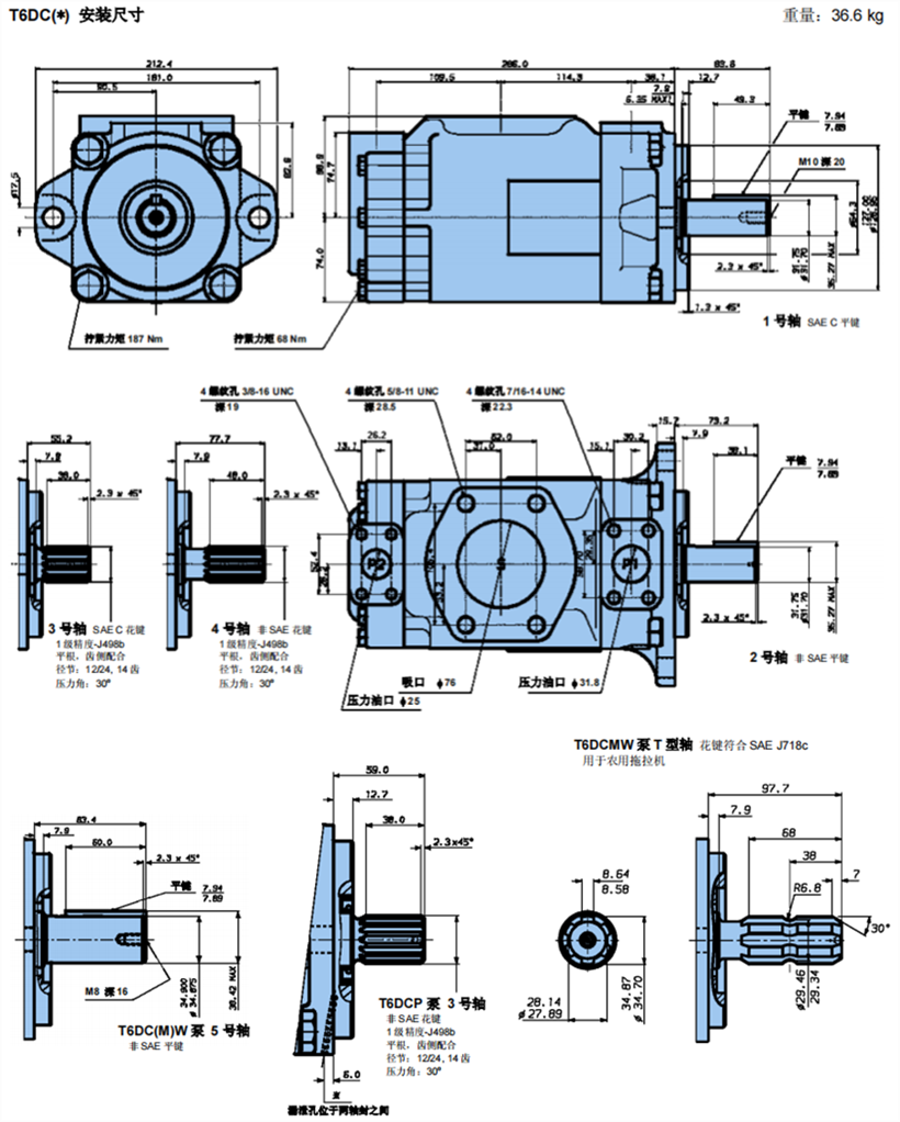
T6DC,T6DCM叶片泵安装尺寸:

T6DDS叶片泵安装尺寸:
相关新闻
丹尼逊叶片泵型号规格大全,DENISON叶片泵样本
2025-01-06 14:52:14
丹尼逊(DENISON)叶片泵拥有多种型号规格,以下是其主要系列及部分型号的详细介绍,同时也提供了一个简化的DENISON叶片泵样本概览: 一、丹尼逊叶片泵主要系列 T6系列叶片泵 T6C单联泵:排量范围从003(约...
威格士VICKERS叶片泵产生噪音的三大原因
2025-01-13 14:15:19
威格士VICKERS叶片泵产生噪音的原因可能涉及多个方面,以下是其中三个主要原因及其详细解释: 一、机械部件磨损或不当配置 泵芯部件磨损: 上下配油盘、转子、定子以及叶片等关键部件的磨损会导致噪音的产生。 磨损可能由...
VICKERS威格士双联叶片泵型号大全,性能参数及应用说明
2025-01-13 14:26:38
以下是VICKERS威格士双联叶片泵的部分型号、性能参数及应用说明: 一、型号大全 VICKERS威格士双联叶片泵的型号众多,以下列举部分常见型号: 2520V系列 ; 3520V系列;3525V系列;4520...
![【bv1946官方网站下载地址
】液压元件[液压油泵,电磁阀]一站式服务平台](http://m.longbaobei.com/www/upload/20210127173032768281.png)




