最新动态
- 01YUKEN油研电磁阀dsg-01-3c3-d24-n1-50价格,型号说明
- 02挖机液压泵维修,卡特挖机液压泵的维修步骤
- 03REXROTH力士乐AZPF,AZPB,AZPN系列齿轮泵性能参数及特征
- 04PARKER派克轴向柱塞泵PV028R1K1T1N-MMC价格,性能参数及使用说明
- 05日本东京计器柱塞泵P16V,P21V,P100V,P70V系列型号大全,性能参数
- 06台湾油昇yeoshe柱塞泵型号大全,特征及应用
- 07VIVOIL齿轮泵,VIVOIL液压齿轮泵/马达型号大全,特征及应用说明
- 08A3H泵有哪些型号? YUKEN油研A3H系列高压变量柱塞泵有哪些优势
- 09Caproni齿轮泵有哪些型号,这些型号的详细参数和特点是什么

行业新闻
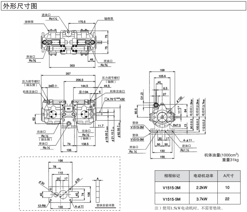
V1515 A ※※ R -95,V1515系列双连泵尺寸图
发布时间:2022-12-01 10:19:52 浏览次数:1175大金V1515系列双连泵型号说明:

大金V1515系列双连泵尺寸图:
相关新闻
丹尼逊叶片泵型号规格大全,DENISON叶片泵样本
2025-01-06 14:52:14
丹尼逊(DENISON)叶片泵拥有多种型号规格,以下是其主要系列及部分型号的详细介绍,同时也提供了一个简化的DENISON叶片泵样本概览: 一、丹尼逊叶片泵主要系列 T6系列叶片泵 T6C单联泵:排量范围从003(约...
A2F10 A2F12 A2F63 A2F125 A2F107 A2F225 力士乐柱塞泵,A2F系列柱塞泵
2024-11-03 09:44:07
Rexroth 力士乐A2F系列描述: 固定位移的弯轴设计 与原装完全互换 用作静液压驱动器中的泵或电机,在开闭回路中使用 高性能旋转组,具有久经考验的球形控制区域,具有以下优势;自定心低圆周速度,高效率 尺寸: ...
挖机液压泵维修,卡特挖机液压泵的维修步骤
2025-02-05 10:20:42
挖机液压泵,特别是卡特挖机液压泵,是挖掘机的重要部件,其维修步骤通常包括以下几个关键环节: 一、故障排查 检查液压油: 确保液压油没有泄漏,油箱内油面高度适中,不低于最低油标线。 检查油液是否清洁,避免灰尘、沙粒等杂...
![【bv1946官方网站下载地址
】液压元件[液压油泵,电磁阀]一站式服务平台](http://m.longbaobei.com/www/upload/20210127173032768281.png)




