最新动态
- 01YUKEN油研电磁阀dsg-01-3c3-d24-n1-50价格,型号说明
- 02挖机液压泵维修,卡特挖机液压泵的维修步骤
- 03REXROTH力士乐AZPF,AZPB,AZPN系列齿轮泵性能参数及特征
- 04PARKER派克轴向柱塞泵PV028R1K1T1N-MMC价格,性能参数及使用说明
- 05日本东京计器柱塞泵P16V,P21V,P100V,P70V系列型号大全,性能参数
- 06台湾油昇yeoshe柱塞泵型号大全,特征及应用
- 07VIVOIL齿轮泵,VIVOIL液压齿轮泵/马达型号大全,特征及应用说明
- 08A3H泵有哪些型号? YUKEN油研A3H系列高压变量柱塞泵有哪些优势
- 09Caproni齿轮泵有哪些型号,这些型号的详细参数和特点是什么

行业新闻
A3H37-FR01KK , A3H56-FR01KK日本油研A3H系列变量柱塞泵参数及安装尺寸
发布时间:2023-01-09 13:57:04 最后更新:2025-01-12 10:41:43 浏览次数:993
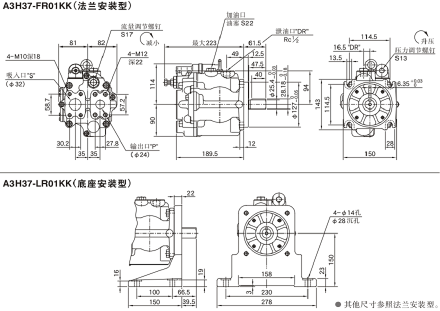
A3H37-FR01KK(法兰安装型):

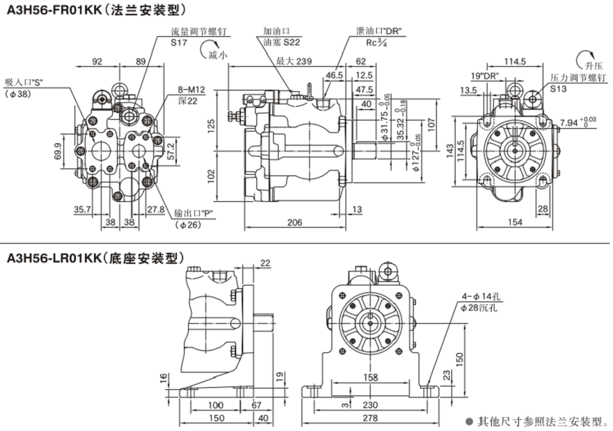
A3H56-FR01KK(法兰安装型):

日本油研A3H系列变量柱塞泵特点:
●对应广泛用途的控制型式
为了对应广泛用途,具备有以下4种控制型式
●对应最高工作压力35MPa的高性能
A3H37型效率特性如下图所示,在效率方面性能突出。
●宽广的流量范围
A3H16~A3H180的7个规格中,包含有16.3~180.7cm3/rev范围内。
●紧凑体格
输出功率/质量之比值大,是非常紧凑的设计。
油研A3H系列变量柱塞泵规格:A3H16,A3H37,A3H56,A3H71,A3H100,A3H145,A3H180
油研A3H系列变量柱塞泵型号及参数:

★控制型式;可提供压力补偿控制型、恒功率(扭矩)控制型、负载敏感控制型及简易双压双流量控制型4种型式。

A3H56-FR01KK(法兰安装型):

日本油研A3H系列变量柱塞泵特点:
●对应广泛用途的控制型式
为了对应广泛用途,具备有以下4种控制型式
●对应最高工作压力35MPa的高性能
A3H37型效率特性如下图所示,在效率方面性能突出。
●宽广的流量范围
A3H16~A3H180的7个规格中,包含有16.3~180.7cm3/rev范围内。
●紧凑体格
输出功率/质量之比值大,是非常紧凑的设计。
油研A3H系列变量柱塞泵规格:A3H16,A3H37,A3H56,A3H71,A3H100,A3H145,A3H180
油研A3H系列变量柱塞泵型号及参数:

★控制型式;可提供压力补偿控制型、恒功率(扭矩)控制型、负载敏感控制型及简易双压双流量控制型4种型式。
| 油研A3H16-FR01KK-10高压变量柱塞泵 油研A3H16-LR01KK-10高压变量柱塞泵 油研A3H37-FR01KK-10高压变量柱塞泵 油研A3H37-LR01KK-10高压变量柱塞泵 油研A3H56-FR01KK-10高压变量柱塞泵 | 油研A3H56-LR01KK-10高压变量柱塞泵 油研A3H71-FR01KK-10高压变量柱塞泵 油研A3H71-LR01KK-10高压变量柱塞泵 油研A3H100-FR01KK-10高压变量柱塞泵 油研A3H100-LR01KK-10高压变量柱塞泵 | 油研A3H145-FR01KK-10高压变量柱塞泵 油研A3H145-LR01KK-10高压变量柱塞泵 油研A3H180-FR01KK-10高压变量柱塞泵 油研A3H180-LR01KK-10高压变量柱塞泵 |
相关新闻
丹尼逊叶片泵型号规格大全,DENISON叶片泵样本
2025-01-06 14:52:14
丹尼逊(DENISON)叶片泵拥有多种型号规格,以下是其主要系列及部分型号的详细介绍,同时也提供了一个简化的DENISON叶片泵样本概览: 一、丹尼逊叶片泵主要系列 T6系列叶片泵 T6C单联泵:排量范围从003(约...
A2F10 A2F12 A2F63 A2F125 A2F107 A2F225 力士乐柱塞泵,A2F系列柱塞泵
2024-11-03 09:44:07
Rexroth 力士乐A2F系列描述: 固定位移的弯轴设计 与原装完全互换 用作静液压驱动器中的泵或电机,在开闭回路中使用 高性能旋转组,具有久经考验的球形控制区域,具有以下优势;自定心低圆周速度,高效率 尺寸: ...
挖机液压泵维修,卡特挖机液压泵的维修步骤
2025-02-05 10:20:42
挖机液压泵,特别是卡特挖机液压泵,是挖掘机的重要部件,其维修步骤通常包括以下几个关键环节: 一、故障排查 检查液压油: 确保液压油没有泄漏,油箱内油面高度适中,不低于最低油标线。 检查油液是否清洁,避免灰尘、沙粒等杂...
![【bv1946官方网站下载地址
】液压元件[液压油泵,电磁阀]一站式服务平台](http://m.longbaobei.com/www/upload/20210127173032768281.png)




