最新动态
- 01YUKEN油研电磁阀dsg-01-3c3-d24-n1-50价格,型号说明
- 02挖机液压泵维修,卡特挖机液压泵的维修步骤
- 03REXROTH力士乐AZPF,AZPB,AZPN系列齿轮泵性能参数及特征
- 04PARKER派克轴向柱塞泵PV028R1K1T1N-MMC价格,性能参数及使用说明
- 05日本东京计器柱塞泵P16V,P21V,P100V,P70V系列型号大全,性能参数
- 06台湾油昇yeoshe柱塞泵型号大全,特征及应用
- 07VIVOIL齿轮泵,VIVOIL液压齿轮泵/马达型号大全,特征及应用说明
- 08A3H泵有哪些型号? YUKEN油研A3H系列高压变量柱塞泵有哪些优势
- 09Caproni齿轮泵有哪些型号,这些型号的详细参数和特点是什么

公司新闻
油研液压泵A145-LR01HS-60, yuken变量柱塞泵A145系列
发布时间:2023-06-06 14:54:55 最后更新:2024-11-28 14:27:29 浏览次数:1149
“A”系列YUKEN油研变量柱塞泵
规格:A10 A16 A22 A37 A56 A70 A90 A145 A220
油研“A”系列变量柱塞泵——单泵、压力补偿器型 “A”系列变量柱塞泵——单泵、电磁阀双压力控制型 “A”系列变量柱塞泵——单泵、带卸载型压力补偿器A" 系列变量柱塞泵 – 单泵,比例电液负载传感型 “A” 系列变量柱塞泵 – 单泵,电液比例压力和流量控制 “A” 系列变量柱塞泵 – 单泵, “OBE” 型电液比例压力和流量控制型 “A” 系列变量柱塞泵 – 单泵,先导压力控制型压力补偿器 “A"系列变量柱塞泵-单泵、恒功率控制型在压力16MPa(2320PSI)、转速1800r/min条件下,容积效率达98%以上,总效率达90%以上。在“A16”泵,噪音水平低至 57.3 dB(A) [在完全切断压力 21 MPa (3050 PSI) 和速度 1500 r/min 水平距离泵头一米(3.3 英尺)覆盖。) 水平远离泵头盖。) 水平远离泵头盖。
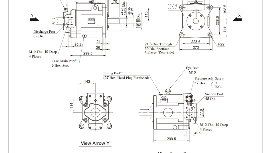
A145系列油研柱塞泵尺寸:

YUKEN油研A145系列柱塞泵型号:
规格:A10 A16 A22 A37 A56 A70 A90 A145 A220
油研“A”系列变量柱塞泵——单泵、压力补偿器型 “A”系列变量柱塞泵——单泵、电磁阀双压力控制型 “A”系列变量柱塞泵——单泵、带卸载型压力补偿器A" 系列变量柱塞泵 – 单泵,比例电液负载传感型 “A” 系列变量柱塞泵 – 单泵,电液比例压力和流量控制 “A” 系列变量柱塞泵 – 单泵, “OBE” 型电液比例压力和流量控制型 “A” 系列变量柱塞泵 – 单泵,先导压力控制型压力补偿器 “A"系列变量柱塞泵-单泵、恒功率控制型在压力16MPa(2320PSI)、转速1800r/min条件下,容积效率达98%以上,总效率达90%以上。在“A16”泵,噪音水平低至 57.3 dB(A) [在完全切断压力 21 MPa (3050 PSI) 和速度 1500 r/min 水平距离泵头一米(3.3 英尺)覆盖。) 水平远离泵头盖。) 水平远离泵头盖。
A145系列油研柱塞泵尺寸:

YUKEN油研A145系列柱塞泵型号:
| 油研柱塞泵A145-F-L-01-B-S-K-32 油研柱塞泵A145-F-L-01-C-S-K-32 油研柱塞泵A145-F-L-01-H-S-K-32 油研柱塞泵A145-F-L-01-K-S-K-32 油研柱塞泵A145-F-L-04-B-S-K-32 油研柱塞泵A145-F-L-04-C-S-K-32 油研柱塞泵A145-F-L-04-H-S-K-32 油研柱塞泵A145-F-L-04-K-S-K-32 油研柱塞泵A145-F-R-01-B-S-K-32 油研柱塞泵A145-F-R-01-C-S-K-32 油研柱塞泵A145-F-R-01-H-S-K-32 | 油研柱塞泵A145-F-R-01-K-S-K-32 油研柱塞泵A145-F-R-04-B-S-K-32 油研柱塞泵A145-F-R-04-C-S-K-32 油研柱塞泵A145-F-R-04-H-S-K-32 油研柱塞泵A145-F-R-04-K-S-K-32 油研柱塞泵A145-L-L-01-B-S-K-32 油研柱塞泵A145-L-L-01-C-S-K-32 油研柱塞泵A145-L-L-01-H-S-K-32 油研柱塞泵A145-L-L-01-K-S-K-32 油研柱塞泵A145-L-L-04-B-S-K-32 油研柱塞泵A145-L-L-04-C-S-K-32 | YUKEN柱塞泵A145-L-L-04-H-S-K-32 YUKEN柱塞泵A145-L-L-04-K-S-K-32 YUKEN柱塞泵A145-L-R-01-B-S-K-32 YUKEN柱塞泵A145-L-R-01-C-S-K-32 YUKEN柱塞泵A145-L-R-01-H-S-K-32 YUKEN柱塞泵A145-L-R-01-K-S-K-32 YUKEN柱塞泵A145-L-R-04-B-S-K-32 YUKEN柱塞泵A145-L-R-04-C-S-K-32 YUKEN柱塞泵A145-L-R-04-H-S-K-32 YUKEN柱塞泵A145-L-R-04-K-S-K-32 YUKEN柱塞泵A145-FR01BS-60 |
相关新闻
日本YUKEN油研DSG-03-3C4-D24-N1-50液压电磁阀价格,型号说明及参数
2025-01-16 09:57:14
关于日本YUKEN油研DSG-03-3C4-D24-N1-50液压电磁阀的价格、型号说明及参数,以下是根据公开信息整理的内容: 一、价格 日本YUKEN油研DSG-03-3C4-D24-N1-50液压电磁阀的价格因供...
丹尼逊叶片泵型号规格大全,DENISON叶片泵样本
2025-01-06 14:52:14
丹尼逊(DENISON)叶片泵拥有多种型号规格,以下是其主要系列及部分型号的详细介绍,同时也提供了一个简化的DENISON叶片泵样本概览: 一、丹尼逊叶片泵主要系列 T6系列叶片泵 T6C单联泵:排量范围从003(约...
威格士VICKERS叶片泵产生噪音的三大原因
2025-01-13 14:15:19
威格士VICKERS叶片泵产生噪音的原因可能涉及多个方面,以下是其中三个主要原因及其详细解释: 一、机械部件磨损或不当配置 泵芯部件磨损: 上下配油盘、转子、定子以及叶片等关键部件的磨损会导致噪音的产生。 磨损可能由...
![【bv1946官方网站下载地址
】液压元件[液压油泵,电磁阀]一站式服务平台](http://m.longbaobei.com/www/upload/20210127173032768281.png)




