品牌展示
- YUKEN油研液压
- REXROTH液压泵
- VICKERS液压油泵
- DAIKIN液压油泵
- PARKER液压油泵
- NACHI液压油泵
- DENISON液压油泵
- Marzocchi齿轮泵
- Sumitomo齿轮泵
- Danfoss液压泵
- Berarma叶片泵
- YEOSHE液压泵
- 东京计器液压泵
- SALAMI齿轮油泵
- VIVOIL齿轮油泵
- CASAPPA齿轮泵
- Caproni齿轮油泵
- Bucher齿轮泵
- HESPER齿轮泵
- HYDAC齿轮泵
- Roquet齿轮泵
- Bondioli齿轮泵
- Jihostroj齿轮泵
- Duplomatic迪普马
- METARIS齿轮泵
- ATOS齿轮油泵
- KRACHT齿轮泵
- Brevini齿轮油泵
- RONZIO齿轮泵
- 沃尔沃齿轮泵
- Commercial液压泵
- LINDE液压油泵
- HAWE液压油泵
- Kawasaki液压泵
- 赫格隆液压马达
- 力士乐减速机
- 其他齿轮泵
- 维修服务
最新动态
- 01YUKEN油研电磁阀dsg-01-3c3-d24-n1-50价格,型号说明
- 02挖机液压泵维修,卡特挖机液压泵的维修步骤
- 03REXROTH力士乐AZPF,AZPB,AZPN系列齿轮泵性能参数及特征
- 04PARKER派克轴向柱塞泵PV028R1K1T1N-MMC价格,性能参数及使用说明
- 05日本东京计器柱塞泵P16V,P21V,P100V,P70V系列型号大全,性能参数
- 06台湾油昇yeoshe柱塞泵型号大全,特征及应用
- 07VIVOIL齿轮泵,VIVOIL液压齿轮泵/马达型号大全,特征及应用说明
- 08A3H泵有哪些型号? YUKEN油研A3H系列高压变量柱塞泵有哪些优势
- 09Caproni齿轮泵有哪些型号,这些型号的详细参数和特点是什么

首页Marzocchi齿轮泵产品详情

ALP4E-D-* 系列齿轮泵
品牌类型:
发布时间:
Marzocchi齿轮泵
2024-12-04 16:11:28
温馨提示:由于产品型号太多,网站只能列出部分产品信息。如您在网站中未能找到您需要的型号,请咨询我们的在线客服!
咨询热线:13686884195 / 0755-29874345
详情介绍
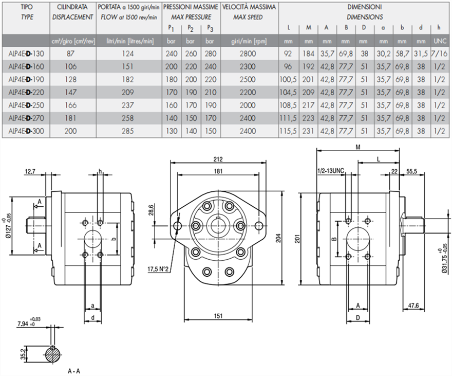
马祖奇齿轮泵ALP4E-D系列相关型号:
ALP4E-D-130 , ALP4E-D-160 , ALP4E-D-190 , ALP4E-D-220 , ALP4E-D-250 , ALP4E-D-270 , ALP4E-D-300
马祖奇ALP4E-D系列齿轮泵参数及尺寸:

ALP4E-D-130 , ALP4E-D-160 , ALP4E-D-190 , ALP4E-D-220 , ALP4E-D-250 , ALP4E-D-270 , ALP4E-D-300
马祖奇ALP4E-D系列齿轮泵参数及尺寸:

意大利MARZOCCHI马祖奇ALP4E-D系列齿轮泵是一种高性能的齿轮泵,以下是对其的详细介绍:
一、产品特点
高效能:ALP4E-D系列齿轮泵采用高性能材料和优化的齿轮设计,能够在高压力和高温环境下高效地传输流体。其高效率的设计减少了能源消耗和热量生成,使得泵在长时间运行中保持稳定的性能。
长寿命:该系列齿轮泵具有坚固和耐用的设计,能够承受严苛的工作环境。其齿轮和轴承寿命长,减少了维修和更换的频率,从而降低了运营成本。
维护简便:ALP4E-D系列齿轮泵的设计使得维护和检查变得简单方便。模块化设计使得快速更换磨损部件成为可能,减少了停机时间,提高了设备的利用率。
多种配置:该系列齿轮泵有多种配置可供选择,以满足不同的应用需求。用户可以根据实际需求选择不同的排量、压力、电压和驱动方式等。
可靠性:ALP4E-D系列齿轮泵具有高度的可靠性和稳定性,能够在各种工作条件下稳定地运行,减少了故障和停机时间。
紧凑设计:该系列齿轮泵采用紧凑的设计,使得它在空间有限的环境中也能方便地安装和使用。同时,紧凑的设计还使得它在运行时产生的噪音低,改善了工作环境。
二、工作原理
ALP4E-D系列齿轮泵的工作原理基于两个主要概念:齿轮的旋转和体积的变化。
齿轮旋转:齿轮泵中的两个齿轮在泵缸内相互啮合,随着驱动轴的旋转,齿轮开始转动。这种旋转运动允许泵有效地从进油口吸入流体,并将其传输至出油口。
体积变化:当齿轮旋转时,啮合的齿之间的体积会发生变化。具体来说,随着齿轮的转动,齿之间的空间会从小到大,然后再从大到小。这种体积的变化与泵的排量直接相关,因为它决定了在单位时间内可以吸入和排出的流体体积。
三、产品型号与价格
ALP4E-D系列齿轮泵有多个型号可供选择,每个型号都有不同的排量范围和特点。以下是一些常见型号及其价格范围(价格可能因市场供需、购买数量等因素而有所变动):
ALP4E-D-130:价格相对较低,适合小流量场合。
ALP4E-D-160/190/220/250/270/300:这些型号的价格相对较高,但具有更高的排量和压力,适用于高压和高速的流体输送场合。
具体价格请咨询相关供应商或查看官方报价。
四、应用领域
ALP4E-D系列齿轮泵适用于各种需要高压力、高温传输流体的应用场景,如工程厂矿机械设备、液压系统、燃油喷射系统等。
五、注意事项
在安装和使用前,请务必检查泵和电动机的情况,确保各部件连接牢固可靠,润滑油适量。
在运转过程中,不要关闭排风阀门,以免损坏泵或管路,甚至烧坏电动机。
定期检查和维护齿轮泵,以确保其长期稳定运行。
综上所述,意大利MARZOCCHI马祖奇ALP4E-D系列齿轮泵是一种高效、耐用、可靠的齿轮泵,适用于各种需要高压力、高温传输流体的应用场景。
一、产品特点
高效能:ALP4E-D系列齿轮泵采用高性能材料和优化的齿轮设计,能够在高压力和高温环境下高效地传输流体。其高效率的设计减少了能源消耗和热量生成,使得泵在长时间运行中保持稳定的性能。
长寿命:该系列齿轮泵具有坚固和耐用的设计,能够承受严苛的工作环境。其齿轮和轴承寿命长,减少了维修和更换的频率,从而降低了运营成本。
维护简便:ALP4E-D系列齿轮泵的设计使得维护和检查变得简单方便。模块化设计使得快速更换磨损部件成为可能,减少了停机时间,提高了设备的利用率。
多种配置:该系列齿轮泵有多种配置可供选择,以满足不同的应用需求。用户可以根据实际需求选择不同的排量、压力、电压和驱动方式等。
可靠性:ALP4E-D系列齿轮泵具有高度的可靠性和稳定性,能够在各种工作条件下稳定地运行,减少了故障和停机时间。
紧凑设计:该系列齿轮泵采用紧凑的设计,使得它在空间有限的环境中也能方便地安装和使用。同时,紧凑的设计还使得它在运行时产生的噪音低,改善了工作环境。
二、工作原理
ALP4E-D系列齿轮泵的工作原理基于两个主要概念:齿轮的旋转和体积的变化。
齿轮旋转:齿轮泵中的两个齿轮在泵缸内相互啮合,随着驱动轴的旋转,齿轮开始转动。这种旋转运动允许泵有效地从进油口吸入流体,并将其传输至出油口。
体积变化:当齿轮旋转时,啮合的齿之间的体积会发生变化。具体来说,随着齿轮的转动,齿之间的空间会从小到大,然后再从大到小。这种体积的变化与泵的排量直接相关,因为它决定了在单位时间内可以吸入和排出的流体体积。
三、产品型号与价格
ALP4E-D系列齿轮泵有多个型号可供选择,每个型号都有不同的排量范围和特点。以下是一些常见型号及其价格范围(价格可能因市场供需、购买数量等因素而有所变动):
ALP4E-D-130:价格相对较低,适合小流量场合。
ALP4E-D-160/190/220/250/270/300:这些型号的价格相对较高,但具有更高的排量和压力,适用于高压和高速的流体输送场合。
具体价格请咨询相关供应商或查看官方报价。
四、应用领域
ALP4E-D系列齿轮泵适用于各种需要高压力、高温传输流体的应用场景,如工程厂矿机械设备、液压系统、燃油喷射系统等。
五、注意事项
在安装和使用前,请务必检查泵和电动机的情况,确保各部件连接牢固可靠,润滑油适量。
在运转过程中,不要关闭排风阀门,以免损坏泵或管路,甚至烧坏电动机。
定期检查和维护齿轮泵,以确保其长期稳定运行。
综上所述,意大利MARZOCCHI马祖奇ALP4E-D系列齿轮泵是一种高效、耐用、可靠的齿轮泵,适用于各种需要高压力、高温传输流体的应用场景。
![【bv1946官方网站下载地址
】液压元件[液压油泵,电磁阀]一站式服务平台](http://m.longbaobei.com/www/upload/20210127173032768281.png)





