品牌展示
- YUKEN油研液压
- REXROTH液压泵
- VICKERS液压油泵
- DAIKIN液压油泵
- PARKER液压油泵
- NACHI液压油泵
- DENISON液压油泵
- Marzocchi齿轮泵
- Sumitomo齿轮泵
- Danfoss液压泵
- Berarma叶片泵
- YEOSHE液压泵
- 东京计器液压泵
- SALAMI齿轮油泵
- VIVOIL齿轮油泵
- CASAPPA齿轮泵
- Caproni齿轮油泵
- Bucher齿轮泵
- HESPER齿轮泵
- HYDAC齿轮泵
- Roquet齿轮泵
- Bondioli齿轮泵
- Jihostroj齿轮泵
- Duplomatic迪普马
- METARIS齿轮泵
- ATOS齿轮油泵
- KRACHT齿轮泵
- Brevini齿轮油泵
- RONZIO齿轮泵
- 沃尔沃齿轮泵
- Commercial液压泵
- LINDE液压油泵
- HAWE液压油泵
- Kawasaki液压泵
- 赫格隆液压马达
- 力士乐减速机
- 其他齿轮泵
- 维修服务
最新动态
- 01YUKEN油研电磁阀dsg-01-3c3-d24-n1-50价格,型号说明
- 02挖机液压泵维修,卡特挖机液压泵的维修步骤
- 03REXROTH力士乐AZPF,AZPB,AZPN系列齿轮泵性能参数及特征
- 04PARKER派克轴向柱塞泵PV028R1K1T1N-MMC价格,性能参数及使用说明
- 05日本东京计器柱塞泵P16V,P21V,P100V,P70V系列型号大全,性能参数
- 06台湾油昇yeoshe柱塞泵型号大全,特征及应用
- 07VIVOIL齿轮泵,VIVOIL液压齿轮泵/马达型号大全,特征及应用说明
- 08A3H泵有哪些型号? YUKEN油研A3H系列高压变量柱塞泵有哪些优势
- 09Caproni齿轮泵有哪些型号,这些型号的详细参数和特点是什么

首页Marzocchi齿轮泵产品详情

ALM2BK1-R-* 系列齿轮马达
品牌类型:
发布时间:
Marzocchi齿轮泵
2024-12-25 15:56:08
温馨提示:由于产品型号太多,网站只能列出部分产品信息。如您在网站中未能找到您需要的型号,请咨询我们的在线客服!
咨询热线:13686884195 / 0755-29874345
详情介绍
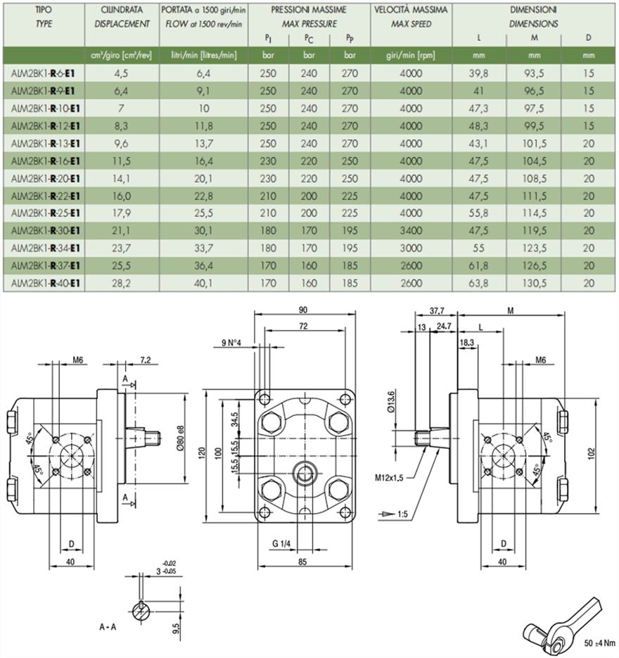
马祖奇ALM2BK1-R-* 系列齿轮马达参数及尺寸:

马祖奇齿轮马达ALM2BK1-R-* 系列相关型号:
意大利马祖奇ALM2BK1-R-* 系列齿轮马达是一款高性能、高可靠性的液压传动装置。以下是对该系列齿轮马达的详细介绍:
一、产品概述
ALM2BK1-R-* 系列齿轮马达是意大利马祖奇(Marzocchi)公司设计并生产的一款产品,它结合了先进的设计理念和高质量的制造工艺,以满足各种工业应用中的高要求。
二、产品特点
高性能:该系列齿轮马达采用高性能材料和优化的齿轮设计,能够在高压力和高温环境下高效地传输流体,提供稳定的动力输出。
可靠性:坚固和耐用的设计使得ALM2BK1-R-* 系列齿轮马达能够承受严苛的工作环境,减少维修和更换的频率,降低运营成本。
维护简便:模块化设计使得快速更换磨损部件成为可能,减少了停机时间,提高了设备的利用率。
多种配置:提供多种排量、压力、电压和驱动方式等配置选项,以满足不同应用需求。
紧凑设计:节省安装空间,同时运行时产生的噪音低,改善了工作环境。
三、产品型号与规格
ALM2BK1-R-* 系列齿轮马达包含多种型号和规格,如ALM2BK1-R-9-E1、ALM2BK1-R-12-E1等。不同型号和规格的齿轮马达在排量、压力、转速等方面存在差异,用户可以根据实际需求选择合适的型号。
四、应用领域
ALM2BK1-R-* 系列齿轮马达广泛应用于各种需要高压力、高温传输流体的应用场景,如:
工程机械:挖掘机、装载机、起重机等。
农业机械:拖拉机、收割机、播种机等。
工业设备:注塑机、压力机、机床等。
其他领域:环保设备、食品加工设备、冶金设备等。
五、维护与保养
为确保ALM2BK1-R-* 系列齿轮马达的长期稳定运行,用户应定期进行维护和保养,包括:
检查油液:定期检查油液的清洁度和粘度,确保油液符合规定要求。
更换滤芯:定期更换油液滤芯,防止杂质进入液压系统。
清洗油箱:定期清洗油箱和管路,去除沉积物和污垢。
检查密封件:定期检查密封件的状态,如有磨损或老化应及时更换。
六、注意事项
安装:在安装ALM2BK1-R-* 系列齿轮马达时,应确保安装位置正确、固定牢靠,并避免受到过大的冲击和振动。
操作:在操作过程中,应遵守操作规程和安全规范,避免超载和长时间连续工作。
维修:在维修过程中,应由专业人员进行操作,避免损坏马达内部结构或影响其性能。
综上所述,意大利马祖奇ALM2BK1-R-* 系列齿轮马达以其高性能、可靠性和耐用性而备受青睐。在选择和使用时,用户应根据实际需求选择合适的型号和规格,并遵循操作规程和安全规范进行操作和维护。

| 马祖奇ALM2BK1-R-6-E1齿轮马达 马祖奇ALM2BK1-R-9-E1齿轮马达 马祖奇ALM2BK1-R-10-E1齿轮马达 马祖奇ALM2BK1-R-12-E1齿轮马达 马祖奇ALM2BK1-R-13-E1齿轮马达 | 马祖奇ALM2BK1-R-16-E1齿轮马达 马祖奇ALM2BK1-R-20-E1齿轮马达 马祖奇ALM2BK1-R-22-E1齿轮马达 马祖奇ALM2BK1-R-25-E1齿轮马达 | 马祖奇ALM2BK1-R-30-E1齿轮马达 马祖奇ALM2BK1-R-34-E1齿轮马达 马祖奇ALM2BK1-R-37-E1齿轮马达 马祖奇ALM2BK1-R-40-E1齿轮马达 |
一、产品概述
ALM2BK1-R-* 系列齿轮马达是意大利马祖奇(Marzocchi)公司设计并生产的一款产品,它结合了先进的设计理念和高质量的制造工艺,以满足各种工业应用中的高要求。
二、产品特点
高性能:该系列齿轮马达采用高性能材料和优化的齿轮设计,能够在高压力和高温环境下高效地传输流体,提供稳定的动力输出。
可靠性:坚固和耐用的设计使得ALM2BK1-R-* 系列齿轮马达能够承受严苛的工作环境,减少维修和更换的频率,降低运营成本。
维护简便:模块化设计使得快速更换磨损部件成为可能,减少了停机时间,提高了设备的利用率。
多种配置:提供多种排量、压力、电压和驱动方式等配置选项,以满足不同应用需求。
紧凑设计:节省安装空间,同时运行时产生的噪音低,改善了工作环境。
三、产品型号与规格
ALM2BK1-R-* 系列齿轮马达包含多种型号和规格,如ALM2BK1-R-9-E1、ALM2BK1-R-12-E1等。不同型号和规格的齿轮马达在排量、压力、转速等方面存在差异,用户可以根据实际需求选择合适的型号。
四、应用领域
ALM2BK1-R-* 系列齿轮马达广泛应用于各种需要高压力、高温传输流体的应用场景,如:
工程机械:挖掘机、装载机、起重机等。
农业机械:拖拉机、收割机、播种机等。
工业设备:注塑机、压力机、机床等。
其他领域:环保设备、食品加工设备、冶金设备等。
五、维护与保养
为确保ALM2BK1-R-* 系列齿轮马达的长期稳定运行,用户应定期进行维护和保养,包括:
检查油液:定期检查油液的清洁度和粘度,确保油液符合规定要求。
更换滤芯:定期更换油液滤芯,防止杂质进入液压系统。
清洗油箱:定期清洗油箱和管路,去除沉积物和污垢。
检查密封件:定期检查密封件的状态,如有磨损或老化应及时更换。
六、注意事项
安装:在安装ALM2BK1-R-* 系列齿轮马达时,应确保安装位置正确、固定牢靠,并避免受到过大的冲击和振动。
操作:在操作过程中,应遵守操作规程和安全规范,避免超载和长时间连续工作。
维修:在维修过程中,应由专业人员进行操作,避免损坏马达内部结构或影响其性能。
综上所述,意大利马祖奇ALM2BK1-R-* 系列齿轮马达以其高性能、可靠性和耐用性而备受青睐。在选择和使用时,用户应根据实际需求选择合适的型号和规格,并遵循操作规程和安全规范进行操作和维护。
![【bv1946官方网站下载地址
】液压元件[液压油泵,电磁阀]一站式服务平台](http://m.longbaobei.com/www/upload/20210127173032768281.png)





