品牌展示
- YUKEN油研液压
- REXROTH液压泵
- VICKERS液压油泵
- DAIKIN液压油泵
- PARKER液压油泵
- NACHI液压油泵
- DENISON液压油泵
- Marzocchi齿轮泵
- Sumitomo齿轮泵
- Danfoss液压泵
- Berarma叶片泵
- YEOSHE液压泵
- 东京计器液压泵
- SALAMI齿轮油泵
- VIVOIL齿轮油泵
- CASAPPA齿轮泵
- Caproni齿轮油泵
- Bucher齿轮泵
- HESPER齿轮泵
- HYDAC齿轮泵
- Roquet齿轮泵
- Bondioli齿轮泵
- Jihostroj齿轮泵
- Duplomatic迪普马
- METARIS齿轮泵
- ATOS齿轮油泵
- KRACHT齿轮泵
- Brevini齿轮油泵
- RONZIO齿轮泵
- 沃尔沃齿轮泵
- Commercial液压泵
- LINDE液压油泵
- HAWE液压油泵
- Kawasaki液压泵
- 赫格隆液压马达
- 力士乐减速机
- 其他齿轮泵
- 维修服务
最新动态
- 01YUKEN油研电磁阀dsg-01-3c3-d24-n1-50价格,型号说明
- 02挖机液压泵维修,卡特挖机液压泵的维修步骤
- 03REXROTH力士乐AZPF,AZPB,AZPN系列齿轮泵性能参数及特征
- 04PARKER派克轴向柱塞泵PV028R1K1T1N-MMC价格,性能参数及使用说明
- 05日本东京计器柱塞泵P16V,P21V,P100V,P70V系列型号大全,性能参数
- 06台湾油昇yeoshe柱塞泵型号大全,特征及应用
- 07VIVOIL齿轮泵,VIVOIL液压齿轮泵/马达型号大全,特征及应用说明
- 08A3H泵有哪些型号? YUKEN油研A3H系列高压变量柱塞泵有哪些优势
- 09Caproni齿轮泵有哪些型号,这些型号的详细参数和特点是什么

首页Marzocchi齿轮泵产品详情

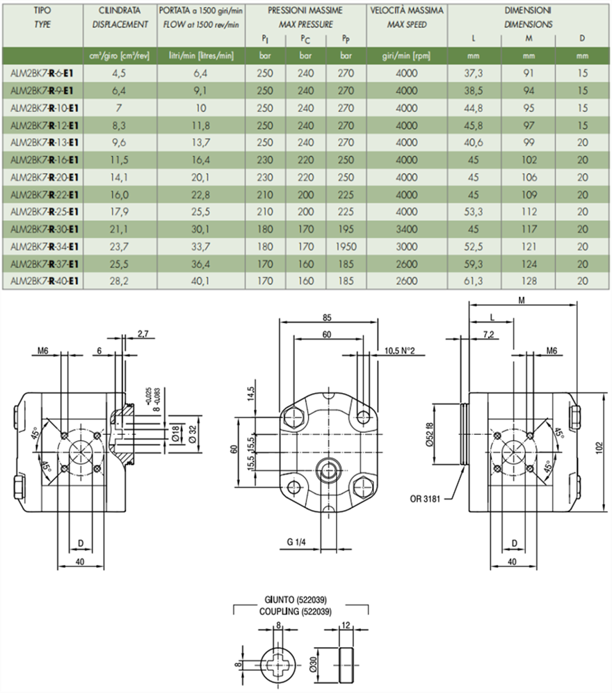
ALM2BK7-R-* 系列齿轮马达
品牌类型:
发布时间:
Marzocchi齿轮泵
2024-12-25 16:05:23
温馨提示:由于产品型号太多,网站只能列出部分产品信息。如您在网站中未能找到您需要的型号,请咨询我们的在线客服!
咨询热线:13686884195 / 0755-29874345
详情介绍
马祖奇ALM2BK7-R-* 系列齿轮马达参数及尺寸:

马祖奇齿轮马达ALM2BK7-R-* 系列相关型号:
马祖奇齿轮马达ALM2BK7-R-6-E1 马祖奇齿轮马达ALM2BK7-R-9-E1 马祖奇齿轮马达ALM2BK7-R-10-E1
马祖奇齿轮马达ALM2BK7-R-12-E1 马祖奇齿轮马达ALM2BK7-R-13-E1 马祖奇齿轮马达ALM2BK7-R-16-E1
马祖奇齿轮马达ALM2BK7-R-20-E1 马祖奇齿轮马达ALM2BK7-R-22-E1 马祖奇齿轮马达ALM2BK7-R-25-E1
马祖奇齿轮马达ALM2BK7-R-30-E1 马祖奇齿轮马达ALM2BK7-R-34-E1 马祖奇齿轮马达ALM2BK7-R-37-E1
马祖奇齿轮马达ALM2BK7-R-40-E1
ALM2BK7系列马祖奇齿轮马达是意大利马祖奇(Marzocchi)品牌的一款重要产品,以下是关于该系列马达的详细介绍:
一、ALM2BK7系列齿轮马达特点
通用性强:ALM2BK7系列齿轮马达适用于各种不同的工业和移动领域,具有广泛的应用范围。
强度高:该系列马达采用高强度材料制造,能够承受较大的扭矩和负载,确保长期稳定运行。
使用寿命长:通过优化设计和制造工艺,ALM2BK7系列齿轮马达的使用寿命得到了有效延长,降低了用户的维护成本。
二、型号与规格
ALM2BK7系列齿轮马达包含多种型号和规格,以满足不同用户的需求。具体型号如ALM2BK7-R-6-E1、ALM2BK7-R-9-E1、ALM2BK7-R-10-E1等,每个型号在排量、扭矩、功率等方面可能有所不同。用户可以根据实际应用场景和需求选择合适的型号和规格。
三、应用场景
ALM2BK7系列齿轮马达广泛应用于各种需要液压传动的设备和系统中,如:
交通运输:用于各种车辆的液压系统中,提供动力支持。
农业机械:在农业机械中用于驱动各种执行机构,提高机械的作业效率。
医疗器械:在医疗器械中用于提供稳定的液压动力,确保设备的正常运行。
工业设备:在各种工业设备中用于传动和驱动,实现自动化生产。
市政建设:用于市政建设中的各种机械设备中,提供液压支持。
四、使用与维护
使用注意事项:
在使用前,应检查马达的外观是否完好,确保无损坏或变形。
选择合适的电源电压并按要求接线,接线后要进行电流、电压等参数的检测。
按照产品规定的工作参数进行操作,不可随意更改。
维护保养:
定期检查马达的油位和油质,确保油量适中且油质良好。
定期更换润滑油,避免不同品牌的油混合使用。
清洁马达的外壳和内部零件,防止污物积累影响运转。
确保马达在额定负载下工作,避免长时间过载运行。
综上所述,ALM2BK7系列马祖奇齿轮马达是一款高品质、高性能的液压马达产品,具有广泛的应用范围和优越的使用性能。用户在使用时应遵循产品说明书和注意事项,确保马达的正常运行和延长使用寿命。

马祖奇齿轮马达ALM2BK7-R-6-E1 马祖奇齿轮马达ALM2BK7-R-9-E1 马祖奇齿轮马达ALM2BK7-R-10-E1
马祖奇齿轮马达ALM2BK7-R-12-E1 马祖奇齿轮马达ALM2BK7-R-13-E1 马祖奇齿轮马达ALM2BK7-R-16-E1
马祖奇齿轮马达ALM2BK7-R-20-E1 马祖奇齿轮马达ALM2BK7-R-22-E1 马祖奇齿轮马达ALM2BK7-R-25-E1
马祖奇齿轮马达ALM2BK7-R-30-E1 马祖奇齿轮马达ALM2BK7-R-34-E1 马祖奇齿轮马达ALM2BK7-R-37-E1
马祖奇齿轮马达ALM2BK7-R-40-E1
ALM2BK7系列马祖奇齿轮马达是意大利马祖奇(Marzocchi)品牌的一款重要产品,以下是关于该系列马达的详细介绍:
一、ALM2BK7系列齿轮马达特点
通用性强:ALM2BK7系列齿轮马达适用于各种不同的工业和移动领域,具有广泛的应用范围。
强度高:该系列马达采用高强度材料制造,能够承受较大的扭矩和负载,确保长期稳定运行。
使用寿命长:通过优化设计和制造工艺,ALM2BK7系列齿轮马达的使用寿命得到了有效延长,降低了用户的维护成本。
二、型号与规格
ALM2BK7系列齿轮马达包含多种型号和规格,以满足不同用户的需求。具体型号如ALM2BK7-R-6-E1、ALM2BK7-R-9-E1、ALM2BK7-R-10-E1等,每个型号在排量、扭矩、功率等方面可能有所不同。用户可以根据实际应用场景和需求选择合适的型号和规格。
三、应用场景
ALM2BK7系列齿轮马达广泛应用于各种需要液压传动的设备和系统中,如:
交通运输:用于各种车辆的液压系统中,提供动力支持。
农业机械:在农业机械中用于驱动各种执行机构,提高机械的作业效率。
医疗器械:在医疗器械中用于提供稳定的液压动力,确保设备的正常运行。
工业设备:在各种工业设备中用于传动和驱动,实现自动化生产。
市政建设:用于市政建设中的各种机械设备中,提供液压支持。
四、使用与维护
使用注意事项:
在使用前,应检查马达的外观是否完好,确保无损坏或变形。
选择合适的电源电压并按要求接线,接线后要进行电流、电压等参数的检测。
按照产品规定的工作参数进行操作,不可随意更改。
维护保养:
定期检查马达的油位和油质,确保油量适中且油质良好。
定期更换润滑油,避免不同品牌的油混合使用。
清洁马达的外壳和内部零件,防止污物积累影响运转。
确保马达在额定负载下工作,避免长时间过载运行。
综上所述,ALM2BK7系列马祖奇齿轮马达是一款高品质、高性能的液压马达产品,具有广泛的应用范围和优越的使用性能。用户在使用时应遵循产品说明书和注意事项,确保马达的正常运行和延长使用寿命。
![【bv1946官方网站下载地址
】液压元件[液压油泵,电磁阀]一站式服务平台](http://m.longbaobei.com/www/upload/20210127173032768281.png)





