品牌展示
- YUKEN油研液压
- REXROTH液压泵
- VICKERS液压油泵
- DAIKIN液压油泵
- PARKER液压油泵
- NACHI液压油泵
- DENISON液压油泵
- Marzocchi齿轮泵
- Sumitomo齿轮泵
- Danfoss液压泵
- Berarma叶片泵
- YEOSHE液压泵
- 东京计器液压泵
- SALAMI齿轮油泵
- VIVOIL齿轮油泵
- CASAPPA齿轮泵
- Caproni齿轮油泵
- Bucher齿轮泵
- HESPER齿轮泵
- HYDAC齿轮泵
- Roquet齿轮泵
- Bondioli齿轮泵
- Jihostroj齿轮泵
- Duplomatic迪普马
- METARIS齿轮泵
- ATOS齿轮油泵
- KRACHT齿轮泵
- Brevini齿轮油泵
- RONZIO齿轮泵
- 沃尔沃齿轮泵
- Commercial液压泵
- LINDE液压油泵
- HAWE液压油泵
- Kawasaki液压泵
- 赫格隆液压马达
- 力士乐减速机
- 其他齿轮泵
- 维修服务
最新动态
- 01YUKEN油研电磁阀dsg-01-3c3-d24-n1-50价格,型号说明
- 02挖机液压泵维修,卡特挖机液压泵的维修步骤
- 03REXROTH力士乐AZPF,AZPB,AZPN系列齿轮泵性能参数及特征
- 04PARKER派克轴向柱塞泵PV028R1K1T1N-MMC价格,性能参数及使用说明
- 05日本东京计器柱塞泵P16V,P21V,P100V,P70V系列型号大全,性能参数
- 06台湾油昇yeoshe柱塞泵型号大全,特征及应用
- 07VIVOIL齿轮泵,VIVOIL液压齿轮泵/马达型号大全,特征及应用说明
- 08A3H泵有哪些型号? YUKEN油研A3H系列高压变量柱塞泵有哪些优势
- 09Caproni齿轮泵有哪些型号,这些型号的详细参数和特点是什么


P-CHP1F 高压泵
品牌类型:
发布时间:
HESPER齿轮泵
2023-01-03 10:05:18
温馨提示:由于产品型号太多,网站只能列出部分产品信息。如您在网站中未能找到您需要的型号,请咨询我们的在线客服!
咨询热线:13686884195 / 0755-29874345
详情介绍
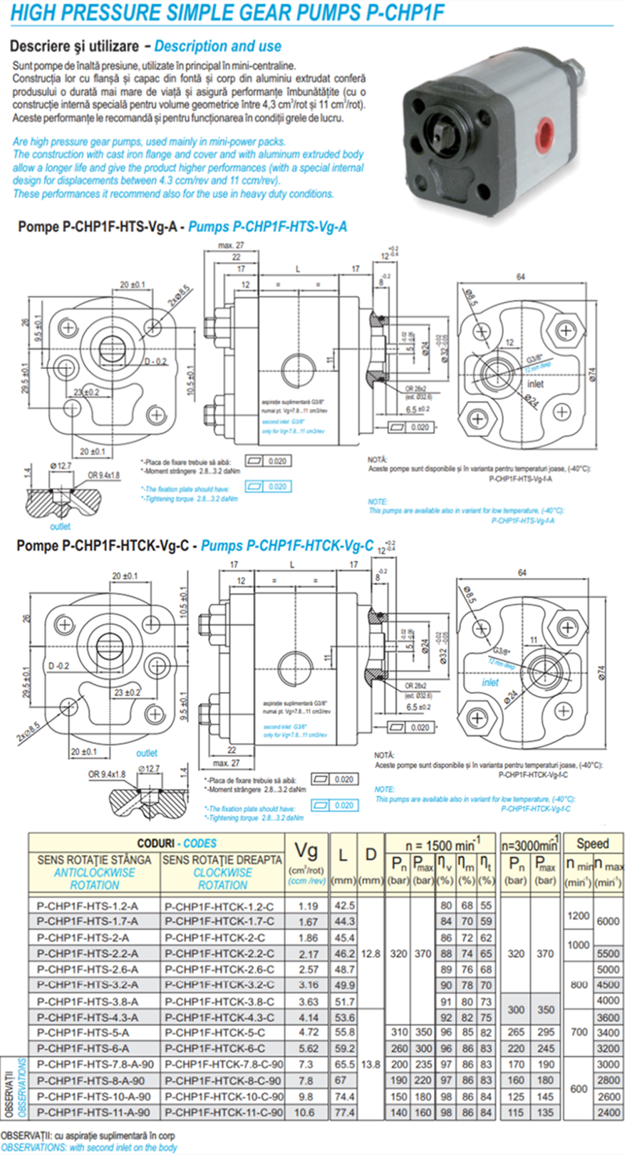
赫思博P-CHP1F 高压泵
Vg = 1.2 – 11 ccm/rev
Pres nom = 高达 320 bar
Pres max = 高达 370 bar
是高压齿轮泵,主要用于微型动力装置。带有铸铁法兰和盖子以及铝挤压主体的结构可延长使用寿命并赋予产品更高的性能(采用特殊的内部设计,排量介于 4.3 cm 3 /rev 和 11 cm 3 /rev 之间)。它推荐的这些性能也适用于重载条件下的使用。
HESPER赫思博P-CHP1F 高压泵型号说明:

P-CHP1F-HTS-1.2-A
P-CHP1F-HTS-1.7-A
P-CHP1 F-HTS-2-A
P-CHP1F-HTS-2.2-A
P-CHP1F-HTS-2.6-A
P-CHP1F-HTS-3.2-A
P-CHP1F-HTS-3.8-A
P-CHP1F-HTS-4.3-A
P-CHP1F-HTS-5-A
P-CHP1F-HTS-6-A
P-CHP1 F-HTS-7.8-A-90
P-CHP1F-HTS-8-A-90
P-CHP1F-HTS-10-A-90
P-CHP1 F-HTS-11-A-90
P-CHP1F-HTCK-1.2-C
P-CHP1F-HTCK-1.7-C
P-CHP1F-HTCK-2-C
P-CHP1F-HTCK-2.2-C
P-CHP1F-HTCK-2.6-C
P-CHP1F-HTCK-3.2-C
P-CHP1F-HTCK-3.8-C .
P-CHP1F-HTCK-4.3-C
P-CHP1F-HTCK-5-C
P-CHP1F-HTCK-6-C
P-CHP1 F-HTCK-7.8-C-90
P-CHP1F-HTCK-8-C-90
P-CHP1F-HTCK-10-C-90
P-CHP1F-HTCK-11-C-90
注:
-最高温度范围:15…80℃。建议0…+50°C最低泵送温度:-20°C
-血管密度:12-2000 mm2/s(最大范围);建议连续行走:25-100 mm/s。
-体积效率保证至少为35 mm/s。
-对于Vg=7..11 cm,需要0吸力身体附加;(G3/8分钟)避开空腔。
-Pn:公称压力
-如果您未在HESPER目录中列出,请联系我们。
-禁止给泵轴加载负载在操作期间轴向或径向。
Vg = 1.2 – 11 ccm/rev
Pres nom = 高达 320 bar
Pres max = 高达 370 bar
是高压齿轮泵,主要用于微型动力装置。带有铸铁法兰和盖子以及铝挤压主体的结构可延长使用寿命并赋予产品更高的性能(采用特殊的内部设计,排量介于 4.3 cm 3 /rev 和 11 cm 3 /rev 之间)。它推荐的这些性能也适用于重载条件下的使用。
HESPER赫思博P-CHP1F 高压泵型号说明:

P-CHP1F-HTS-1.2-A
P-CHP1F-HTS-1.7-A
P-CHP1 F-HTS-2-A
P-CHP1F-HTS-2.2-A
P-CHP1F-HTS-2.6-A
P-CHP1F-HTS-3.2-A
P-CHP1F-HTS-3.8-A
P-CHP1F-HTS-4.3-A
P-CHP1F-HTS-5-A
P-CHP1F-HTS-6-A
P-CHP1 F-HTS-7.8-A-90
P-CHP1F-HTS-8-A-90
P-CHP1F-HTS-10-A-90
P-CHP1 F-HTS-11-A-90
P-CHP1F-HTCK-1.2-C
P-CHP1F-HTCK-1.7-C
P-CHP1F-HTCK-2-C
P-CHP1F-HTCK-2.2-C
P-CHP1F-HTCK-2.6-C
P-CHP1F-HTCK-3.2-C
P-CHP1F-HTCK-3.8-C .
P-CHP1F-HTCK-4.3-C
P-CHP1F-HTCK-5-C
P-CHP1F-HTCK-6-C
P-CHP1 F-HTCK-7.8-C-90
P-CHP1F-HTCK-8-C-90
P-CHP1F-HTCK-10-C-90
P-CHP1F-HTCK-11-C-90
注:
-最高温度范围:15…80℃。建议0…+50°C最低泵送温度:-20°C
-血管密度:12-2000 mm2/s(最大范围);建议连续行走:25-100 mm/s。
-体积效率保证至少为35 mm/s。
-对于Vg=7..11 cm,需要0吸力身体附加;(G3/8分钟)避开空腔。
-Pn:公称压力
-如果您未在HESPER目录中列出,请联系我们。
-禁止给泵轴加载负载在操作期间轴向或径向。
![【bv1946官方网站下载地址
】液压元件[液压油泵,电磁阀]一站式服务平台](http://m.longbaobei.com/www/upload/20210127173032768281.png)





