最新动态
- 01YUKEN油研电磁阀dsg-01-3c3-d24-n1-50价格,型号说明
- 02挖机液压泵维修,卡特挖机液压泵的维修步骤
- 03REXROTH力士乐AZPF,AZPB,AZPN系列齿轮泵性能参数及特征
- 04PARKER派克轴向柱塞泵PV028R1K1T1N-MMC价格,性能参数及使用说明
- 05日本东京计器柱塞泵P16V,P21V,P100V,P70V系列型号大全,性能参数
- 06台湾油昇yeoshe柱塞泵型号大全,特征及应用
- 07VIVOIL齿轮泵,VIVOIL液压齿轮泵/马达型号大全,特征及应用说明
- 08A3H泵有哪些型号? YUKEN油研A3H系列高压变量柱塞泵有哪些优势
- 09Caproni齿轮泵有哪些型号,这些型号的详细参数和特点是什么

行业新闻
V8A1RX-20大金柱塞泵参数说明及外形安装尺寸图
发布时间:2023-01-06 11:14:36 浏览次数:1558
V系列大金柱塞泵特点:
●低噪音
o每个系列中所有压力范围都实现了低噪音运转。
●高效率
O由于动力损失小,油的温升慢,这样可将油箱设计成很小。
●可靠性好
O高灵敏度,高稳定性,寿命长,增加了主机的可靠性。
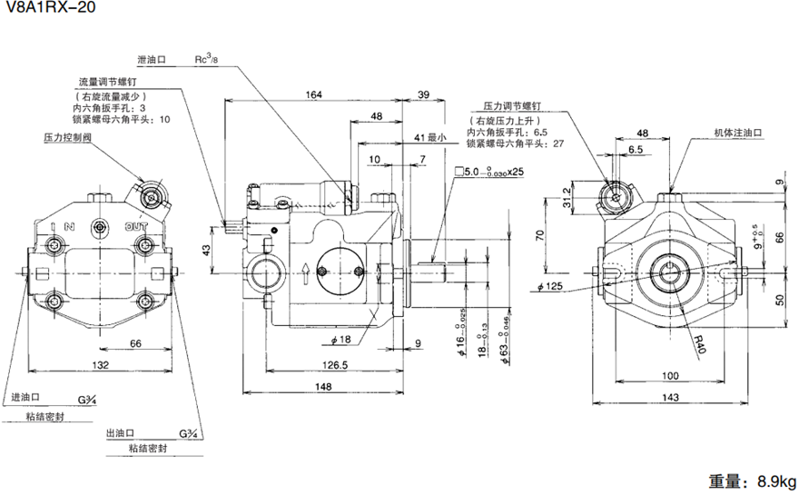
大金柱塞泵V8A1RX-20外形安装尺寸图:

V8A1RX-20大金柱塞泵 V8A1RX-20 柱塞泵 Daikin。该系列实现了整个压力范围内的低噪音运行。可降低流体温升
Daikin V 系列液压柱塞泵 V8A1RX-20 | eBay V8A1RX-20 大金 V 系列液压柱塞泵。8.0cm 3/rev(每分钟 14 升)。
V8A1RX-20 Daikin 柱塞泵 – Pollard CNC Spares Ltd 型号:V8A1RX-20。条件:新产品。排量:8.0cm3/rev. 控制方式:压力补偿器控制。压力调节范围
大金柱塞泵V8A1RX-20参数:
型号: V8A1RX-20
适用流体代号 无名称:石油基液压油
W:水-乙二醇液压油
F:磷酸酯液压油
泵容量 8:8.0 cm3/转
15:14.8 cm3/转
23:23.0 cm3/转
38:37.7 cm3/转
50:51.6 cm3/转
70:69.8 cm3/转
控制方法一 A:压力补偿控制
C:组合控制
D:双压控制
SA:功率匹配控制
旋转方向,从轴端看 R:顺时针(向右)
L:逆时针(向左)
配管方向
无指定:轴向油口
X:侧油口
设计编号(设计编号可能会更改)*1 20:水泵型号 V8、V50
95:水泵型号 V15、V38
30:水泵型号 V23
<当控制方式 I 为 A、CH 或 SA 时>
35:水泵型号 V23
<当控制方式 I 为 CJ 或 D 时>
60:水泵型号 V70
控制方法三 无指定:不带遥控系统
RC:带遥控系统
●低噪音
o每个系列中所有压力范围都实现了低噪音运转。
●高效率
O由于动力损失小,油的温升慢,这样可将油箱设计成很小。
●可靠性好
O高灵敏度,高稳定性,寿命长,增加了主机的可靠性。
大金柱塞泵V8A1RX-20外形安装尺寸图:

V8A1RX-20大金柱塞泵 V8A1RX-20 柱塞泵 Daikin。该系列实现了整个压力范围内的低噪音运行。可降低流体温升
Daikin V 系列液压柱塞泵 V8A1RX-20 | eBay V8A1RX-20 大金 V 系列液压柱塞泵。8.0cm 3/rev(每分钟 14 升)。
V8A1RX-20 Daikin 柱塞泵 – Pollard CNC Spares Ltd 型号:V8A1RX-20。条件:新产品。排量:8.0cm3/rev. 控制方式:压力补偿器控制。压力调节范围
大金柱塞泵V8A1RX-20参数:
型号: V8A1RX-20
适用流体代号 无名称:石油基液压油
W:水-乙二醇液压油
F:磷酸酯液压油
泵容量 8:8.0 cm3/转
15:14.8 cm3/转
23:23.0 cm3/转
38:37.7 cm3/转
50:51.6 cm3/转
70:69.8 cm3/转
控制方法一 A:压力补偿控制
C:组合控制
D:双压控制
SA:功率匹配控制
旋转方向,从轴端看 R:顺时针(向右)
L:逆时针(向左)
配管方向
无指定:轴向油口
X:侧油口
设计编号(设计编号可能会更改)*1 20:水泵型号 V8、V50
95:水泵型号 V15、V38
30:水泵型号 V23
<当控制方式 I 为 A、CH 或 SA 时>
35:水泵型号 V23
<当控制方式 I 为 CJ 或 D 时>
60:水泵型号 V70
控制方法三 无指定:不带遥控系统
RC:带遥控系统
相关新闻
日本东京计器柱塞泵,SQP系列叶片泵
2025-01-13 10:49:16
关于日本东京计器柱塞泵和SQP系列叶片泵,以下是对其进行的详细介绍: 一、日本东京计器柱塞泵 东京计器柱塞泵是液压系统中的重要组件,具有高压、大流量和稳定性能等特点。它广泛应用于各种需要高压传动的工业设备中,如注塑机...
丹尼逊叶片泵型号规格大全,DENISON叶片泵样本
2025-01-06 14:52:14
丹尼逊(DENISON)叶片泵拥有多种型号规格,以下是其主要系列及部分型号的详细介绍,同时也提供了一个简化的DENISON叶片泵样本概览: 一、丹尼逊叶片泵主要系列 T6系列叶片泵 T6C单联泵:排量范围从003(约...
挖机液压泵维修,卡特挖机液压泵的维修步骤
2025-02-05 10:20:42
挖机液压泵,特别是卡特挖机液压泵,是挖掘机的重要部件,其维修步骤通常包括以下几个关键环节: 一、故障排查 检查液压油: 确保液压油没有泄漏,油箱内油面高度适中,不低于最低油标线。 检查油液是否清洁,避免灰尘、沙粒等杂...
![【bv1946官方网站下载地址
】液压元件[液压油泵,电磁阀]一站式服务平台](http://m.longbaobei.com/www/upload/20210127173032768281.png)




