最新动态
- 01YUKEN油研电磁阀dsg-01-3c3-d24-n1-50价格,型号说明
- 02挖机液压泵维修,卡特挖机液压泵的维修步骤
- 03REXROTH力士乐AZPF,AZPB,AZPN系列齿轮泵性能参数及特征
- 04PARKER派克轴向柱塞泵PV028R1K1T1N-MMC价格,性能参数及使用说明
- 05日本东京计器柱塞泵P16V,P21V,P100V,P70V系列型号大全,性能参数
- 06台湾油昇yeoshe柱塞泵型号大全,特征及应用
- 07VIVOIL齿轮泵,VIVOIL液压齿轮泵/马达型号大全,特征及应用说明
- 08A3H泵有哪些型号? YUKEN油研A3H系列高压变量柱塞泵有哪些优势
- 09Caproni齿轮泵有哪些型号,这些型号的详细参数和特点是什么

行业新闻
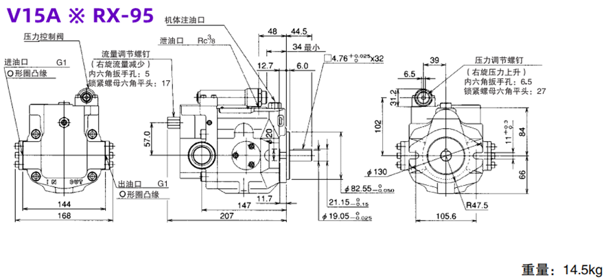
大金柱塞泵V15A ※ RX-95 ,V15A ※ R-95工作原理及外形尺寸图
发布时间:2023-01-06 13:58:31 浏览次数:920大金柱塞泵V15A ※ RX-95外形尺寸图:

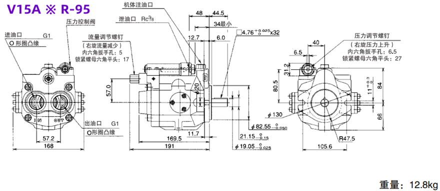
大金柱塞泵V15A ※ R-95外形尺寸图:

DAIKIN大金变量型柱塞泵工作原理:
. 通过电机、发动机等来驱动轴转动,在液压泵转动的缸体与滑靴之间会产生间隙,此间隙随着斜盘的旋转会产生滑动变化。而缸体内的柱塞被斜盘推压进行往复运动。该往复运动会使柱塞腔的容积产生变化,进行吸油与排油等动作。
. 柱塞从下止点到上止点间一直作吸油运动时,工质油从终端顶盖进入并通过滑靴的端口吸入到缸体内,吸油量与柱塞行程成正比。
另外柱塞从上止点到下止点的行程中,工质油被全部强制通过滑靴的端口,最终从顶盖的出油口被排出。
. 液压泵的动作为缸体每旋转一圈进行一次吸油、排油的过程,通过主轴旋转驱动可以作连续吸油与排油动作。

大金柱塞泵V15A ※ R-95外形尺寸图:

DAIKIN大金变量型柱塞泵工作原理:
. 通过电机、发动机等来驱动轴转动,在液压泵转动的缸体与滑靴之间会产生间隙,此间隙随着斜盘的旋转会产生滑动变化。而缸体内的柱塞被斜盘推压进行往复运动。该往复运动会使柱塞腔的容积产生变化,进行吸油与排油等动作。
. 柱塞从下止点到上止点间一直作吸油运动时,工质油从终端顶盖进入并通过滑靴的端口吸入到缸体内,吸油量与柱塞行程成正比。
另外柱塞从上止点到下止点的行程中,工质油被全部强制通过滑靴的端口,最终从顶盖的出油口被排出。
. 液压泵的动作为缸体每旋转一圈进行一次吸油、排油的过程,通过主轴旋转驱动可以作连续吸油与排油动作。
相关新闻
东京计器中国有限公司,东京计器叶片泵型号如何看排量
2025-01-13 10:33:09
东京计器(原名东机美)叶片泵的型号众多,包括V10、V20、SQP(S)1、SQP(S)2 、SQP(S)3、SQP(S)4等系列,以及相应的双联和三联泵型号。对于东京计器叶片泵的型号,其排量通常不是直接通...
丹尼逊叶片泵型号规格大全,DENISON叶片泵样本
2025-01-06 14:52:14
丹尼逊(DENISON)叶片泵拥有多种型号规格,以下是其主要系列及部分型号的详细介绍,同时也提供了一个简化的DENISON叶片泵样本概览: 一、丹尼逊叶片泵主要系列 T6系列叶片泵 T6C单联泵:排量范围从003(约...
VICKERS威格士变量泵有哪些型号及安装维护
2025-01-12 14:46:59
VICKERS(威格士)变量泵拥有多种型号,以下是一些常见的型号及其相关信息: 一、常见型号 PVH系列 如PVH074、PVH098、PVH131等,这些型号通常用于高压液压系统,具有高性能和稳定性。 PVB系列 ...
![【bv1946官方网站下载地址
】液压元件[液压油泵,电磁阀]一站式服务平台](http://m.longbaobei.com/www/upload/20210127173032768281.png)




