品牌展示
- YUKEN油研液压
- REXROTH液压泵
- VICKERS液压油泵
- DAIKIN液压油泵
- PARKER液压油泵
- NACHI液压油泵
- DENISON液压油泵
- Marzocchi齿轮泵
- Sumitomo齿轮泵
- Danfoss液压泵
- Berarma叶片泵
- YEOSHE液压泵
- 东京计器液压泵
- SALAMI齿轮油泵
- VIVOIL齿轮油泵
- CASAPPA齿轮泵
- Caproni齿轮油泵
- Bucher齿轮泵
- HESPER齿轮泵
- HYDAC齿轮泵
- Roquet齿轮泵
- Bondioli齿轮泵
- Jihostroj齿轮泵
- Duplomatic迪普马
- METARIS齿轮泵
- ATOS齿轮油泵
- KRACHT齿轮泵
- Brevini齿轮油泵
- RONZIO齿轮泵
- 沃尔沃齿轮泵
- Commercial液压泵
- LINDE液压油泵
- HAWE液压油泵
- Kawasaki液压泵
- 赫格隆液压马达
- 力士乐减速机
- 其他齿轮泵
- 维修服务
最新动态
- 01YUKEN油研电磁阀dsg-01-3c3-d24-n1-50价格,型号说明
- 02挖机液压泵维修,卡特挖机液压泵的维修步骤
- 03REXROTH力士乐AZPF,AZPB,AZPN系列齿轮泵性能参数及特征
- 04PARKER派克轴向柱塞泵PV028R1K1T1N-MMC价格,性能参数及使用说明
- 05日本东京计器柱塞泵P16V,P21V,P100V,P70V系列型号大全,性能参数
- 06台湾油昇yeoshe柱塞泵型号大全,特征及应用
- 07VIVOIL齿轮泵,VIVOIL液压齿轮泵/马达型号大全,特征及应用说明
- 08A3H泵有哪些型号? YUKEN油研A3H系列高压变量柱塞泵有哪些优势
- 09Caproni齿轮泵有哪些型号,这些型号的详细参数和特点是什么

首页Marzocchi齿轮泵产品详情

ALP4-D-* 系列齿轮泵
品牌类型:
发布时间:
Marzocchi齿轮泵
2024-12-04 15:53:48
温馨提示:由于产品型号太多,网站只能列出部分产品信息。如您在网站中未能找到您需要的型号,请咨询我们的在线客服!
咨询热线:13686884195 / 0755-29874345
详情介绍
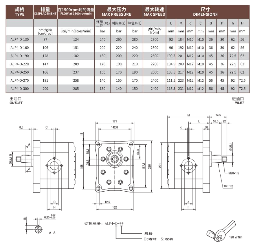
意大利马祖奇ALP4系列齿轮泵
ALP4系列齿轮泵,可满足客户对大排量齿轮泵的需求。泵体、法兰、端盖由特殊的抗压铝合金压铸而成。可各种排量以及其它系列组成双联泵和多联泵。
马祖奇齿轮泵ALP4-D系列相关型号:
ALP4-D-130,ALP4-D-160,ALP4-D-190,ALP4-D-220,ALP4-D-250,ALP4-D-270,ALP4-D-300

意大利Marzocchi马祖奇ALP4系列齿轮泵是一种高性能的齿轮泵,以下是对其的详细介绍:
一、主要特点
高效能:ALP4系列齿轮泵采用高性能材料和齿轮设计,能够在高压力和高温环境下高效地传输流体。其高效率的设计减少了能源消耗和热量生成,使得泵在长时间运行中保持稳定的性能。
长寿命:该系列齿轮泵具有坚固和耐用的设计,能够承受严苛的工作环境。其齿轮和轴承寿命长,减少了维修和更换的频率,从而降低了运营成本。
维护简便:ALP4系列齿轮泵的设计使得维护和检查变得简单方便。模块化设计使得快速更换磨损部件成为可能,减少了停机时间,提高了设备的利用率。
多种配置:该系列齿轮泵有多种配置可供选择,以满足不同的应用需求。用户可以根据实际需求选择不同的排量、压力、电压和驱动方式等。
可靠性:ALP4系列齿轮泵具有高度的可靠性和稳定性,能够在各种工作条件下稳定地运行,减少了故障和停机时间。
紧凑设计:该系列齿轮泵采用紧凑的设计,使得它在空间有限的环境中也能方便地安装和使用。同时,紧凑的设计还使得它在运行时产生的噪音低,改善了工作环境。
二、工作原理
ALP4系列齿轮泵的工作原理基于两个主要概念:齿轮的旋转和体积的变化。齿轮旋转时,两个齿轮在泵缸内相互啮合,随着驱动轴的旋转而转动。这种旋转运动允许泵有效地从进油口吸入流体,并将其传输至出油口。同时,当齿轮旋转时,啮合的齿之间的体积会发生变化,从而决定了在单位时间内可以吸入和排出的流体体积。
三、型号与排量
ALP4系列齿轮泵有多种型号,每个型号都有不同的排量范围和特点。例如,ALP4A-D-220等型号具有更高的排量和压力,适用于高压和高速的流体输送场合。具体的排量范围如下:
ALP1:1.4~13.8cc/rev
ALP2:4.5~35.2cc/rev
ALP3:20~87cc/rev
ALP4:37~200cc/rev
四、安装与维护
在安装ALP4系列齿轮泵时,需要注意以下几点:
安装位置任选,但泵体必须灌满油压液并在工作时保持充满。
油泵支架座要牢固、钢性好,并能充分吸收振动。
泵和电机轴同心度控制在0.100mm以内,尽可能采用柔性联轴节。
油泵的吸入管道通径应不小于泵入口通径,吸油滤油器通流量应不低于油泵流量的两倍。
泵安装高于油箱时,吸入口距油液液面高度应小于1米(使用磷酸脂或含水液压液时应小于0.8米)。
在维护方面,应定期检查齿轮泵的磨损情况,及时更换磨损部件,并保持泵体的清洁和润滑。
五、应用领域
ALP4系列齿轮泵适用于各种需要高压力、高温传输流体的应用场景,如工业和移动领域中的流体输送和液压系统。
综上所述,意大利Marzocchi马祖奇ALP4系列齿轮泵以其高效能、长寿命、维护简便、多种配置、高可靠性和紧凑设计等特点,在各种工业应用中发挥着重要作用。
ALP4系列齿轮泵,可满足客户对大排量齿轮泵的需求。泵体、法兰、端盖由特殊的抗压铝合金压铸而成。可各种排量以及其它系列组成双联泵和多联泵。
马祖奇齿轮泵ALP4-D系列相关型号:
ALP4-D-130,ALP4-D-160,ALP4-D-190,ALP4-D-220,ALP4-D-250,ALP4-D-270,ALP4-D-300

意大利Marzocchi马祖奇ALP4系列齿轮泵是一种高性能的齿轮泵,以下是对其的详细介绍:
一、主要特点
高效能:ALP4系列齿轮泵采用高性能材料和齿轮设计,能够在高压力和高温环境下高效地传输流体。其高效率的设计减少了能源消耗和热量生成,使得泵在长时间运行中保持稳定的性能。
长寿命:该系列齿轮泵具有坚固和耐用的设计,能够承受严苛的工作环境。其齿轮和轴承寿命长,减少了维修和更换的频率,从而降低了运营成本。
维护简便:ALP4系列齿轮泵的设计使得维护和检查变得简单方便。模块化设计使得快速更换磨损部件成为可能,减少了停机时间,提高了设备的利用率。
多种配置:该系列齿轮泵有多种配置可供选择,以满足不同的应用需求。用户可以根据实际需求选择不同的排量、压力、电压和驱动方式等。
可靠性:ALP4系列齿轮泵具有高度的可靠性和稳定性,能够在各种工作条件下稳定地运行,减少了故障和停机时间。
紧凑设计:该系列齿轮泵采用紧凑的设计,使得它在空间有限的环境中也能方便地安装和使用。同时,紧凑的设计还使得它在运行时产生的噪音低,改善了工作环境。
二、工作原理
ALP4系列齿轮泵的工作原理基于两个主要概念:齿轮的旋转和体积的变化。齿轮旋转时,两个齿轮在泵缸内相互啮合,随着驱动轴的旋转而转动。这种旋转运动允许泵有效地从进油口吸入流体,并将其传输至出油口。同时,当齿轮旋转时,啮合的齿之间的体积会发生变化,从而决定了在单位时间内可以吸入和排出的流体体积。
三、型号与排量
ALP4系列齿轮泵有多种型号,每个型号都有不同的排量范围和特点。例如,ALP4A-D-220等型号具有更高的排量和压力,适用于高压和高速的流体输送场合。具体的排量范围如下:
ALP1:1.4~13.8cc/rev
ALP2:4.5~35.2cc/rev
ALP3:20~87cc/rev
ALP4:37~200cc/rev
四、安装与维护
在安装ALP4系列齿轮泵时,需要注意以下几点:
安装位置任选,但泵体必须灌满油压液并在工作时保持充满。
油泵支架座要牢固、钢性好,并能充分吸收振动。
泵和电机轴同心度控制在0.100mm以内,尽可能采用柔性联轴节。
油泵的吸入管道通径应不小于泵入口通径,吸油滤油器通流量应不低于油泵流量的两倍。
泵安装高于油箱时,吸入口距油液液面高度应小于1米(使用磷酸脂或含水液压液时应小于0.8米)。
在维护方面,应定期检查齿轮泵的磨损情况,及时更换磨损部件,并保持泵体的清洁和润滑。
五、应用领域
ALP4系列齿轮泵适用于各种需要高压力、高温传输流体的应用场景,如工业和移动领域中的流体输送和液压系统。
综上所述,意大利Marzocchi马祖奇ALP4系列齿轮泵以其高效能、长寿命、维护简便、多种配置、高可靠性和紧凑设计等特点,在各种工业应用中发挥着重要作用。
![【bv1946官方网站下载地址
】液压元件[液压油泵,电磁阀]一站式服务平台](http://m.longbaobei.com/www/upload/20210127173032768281.png)





