推荐新闻
- 01BERARMA叶片泵,YEOSHE液压泵,东京计器液压泵,SALAMI齿轮油泵产品介绍
- 02威格士柱塞泵顶部上的螺丝孔是什么作用?威格土柱塞泵溢流阀怎么调
- 03丹尼逊叶片泵型号规格大全,DENISON叶片泵样本
- 04美国威格士液压泵在国内的需求大吗? 有哪些优势
- 05液压油泵品牌及型号大全 - 液压泵厂家,液压泵批发
- 06A2F10 A2F12 A2F63 A2F125 A2F107 A2F225 力士乐柱塞泵,A2F系列柱塞泵
- 07日本油研油泵A3HG100-FRNK-E2D-10价格,性能参数及说明书
- 08挖机液压泵维修,卡特挖机液压泵的维修步骤
- 09YUKEN油研电磁阀dsg-01-3c3-d24-n1-50价格,型号说明

新闻中心
NACHI液压泵有哪些特点及安装,保养方法
2022-12-07 14:36:50
NACHI液压泵的特点、安装及保养方法分别如下: 一、特点 卓越性能和质量: 严格挑选原材料并进行热处理,采用综合性厂家不二越独自拥有的先进的精密加工技术,保证了各种产品的卓越性能和质量。 低噪音: 对设备中产生噪...
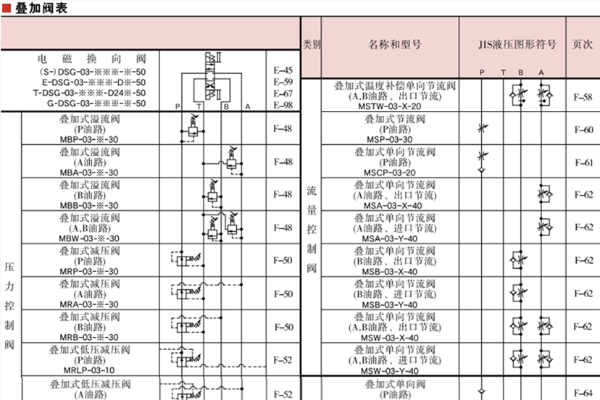
03系列油研YUKEN叠加阀类型及型号-油研液压
2022-12-06 14:09:07
03系列油研YUKEN叠加阀 油研电磁换向阀 (S-)DSG-03-※-※※※-80-5Sq E-DSG-03-※※※-80-5SC-正 T-DSG-03-※※※-D24※-50 G-DSG-03-※※※-80-...
大金V系列变量型柱塞泵工作原理及控制方式
2022-12-01 10:18:19
大金V系列变量型柱塞泵工作原理: 通过电机、发动机等来驱动轴转动,在液压泵转动的缸体与滑靴之间会产生间隙,此间隙随着斜盘的旋转会产生滑动变化。而缸体内的柱塞被斜盘推压进行往复运动。该往复运动会使柱塞腔的容积产生变化...
叶片泵转油口安装指南
2022-11-22 17:01:44
叶片泵转油口安装指南 叶片泵在公司检测合格后出厂时,油泵油口位置有不同型式,客户订货可指定油口位置。如果所供的油泵与实际安装所需要的油口位置不符,客户也可进行调整。调整必须按下列步骤∶ 1.固定好油泵,旋开泵相...
PFE叶片泵,PFED双联叶片泵,PFE系列柱销式叶片泵型号说明
2022-11-17 17:32:00
PFE系列柱销式叶片泵 PFE系列高性能叶片泵,共有单泵(PFE—31/41/51/32/42/52)及双联泵(PFED—4131/5141)八个系列75 个规格。其排量范...
![【bv1946官方网站下载地址
】液压元件[液压油泵,电磁阀]一站式服务平台](http://m.longbaobei.com/www/upload/20210127173032768281.png)







