推荐新闻
- 01丹尼逊叶片泵型号规格大全,DENISON叶片泵样本
- 02A2F10 A2F12 A2F63 A2F125 A2F107 A2F225 力士乐柱塞泵,A2F系列柱塞泵
- 03挖机液压泵维修,卡特挖机液压泵的维修步骤
- 04YUKEN油研电磁阀dsg-01-3c3-d24-n1-50价格,型号说明
- 05YUKEN油研直动型ELDFG-01EH,ELDFG-03EH系列高响应电-液比例换向调速阀
- 06意大利MARZOCCHI齿轮泵,DUPLOMATIC齿轮泵,METARIS齿轮泵特征及应用
- 07DANFOSS丹佛斯液压马达、SALAMI萨拉米齿轮泵与RONZIO罗茨齿轮泵的特点及应用
- 08HYDAC,BUCHER,VIVOIL,BONDIOLI的齿轮泵有什么区别,特点
- 09Danfoss丹佛斯90R055,90R075,90R100,90R130,90R180系列轴向柱塞泵型号及参数,使用说明书

行业新闻
PFED-32,PFED-42,PFED-43,PFED-52,PFED-53,PFED-54系列油研PFED系列柱销式双联叶片泵
2023-01-07 11:35:40
PFED-32,PFED-42,PFED-43,PFED-52,PFED-53,PFED-54系列油研PFED系列柱销式双联叶片泵 ■油研PFED系列柱销式双联叶片泵简介: PFE系列高性能叶...
VZ50,VZ63,VZ80,VZ100,VZ130系列大金[DAIKIN]柱塞泵技术规格及型号说明
2023-01-06 14:05:07
VZ50,VZ63,VZ80,VZ100,VZ130系列大金[DAIKIN]柱塞泵 VZ系列大金柱塞泵特点: ●高密度介质排出 因采用了支撑斜盘,实现了小型轻量化、高压化,从而提高了单位重量的输出功率。 ●低工作...
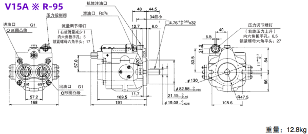
大金柱塞泵V15A ※ RX-95 ,V15A ※ R-95工作原理及外形尺寸图
2023-01-06 13:58:31
大金柱塞泵V15A ※ RX-95外形尺寸图: 大金柱塞泵V15A ※ R-95外形尺寸图: DAIKIN大金变量型柱塞泵工作原理: . 通过电机、发动机等来驱动轴转动,在液压泵转动的缸体与滑...
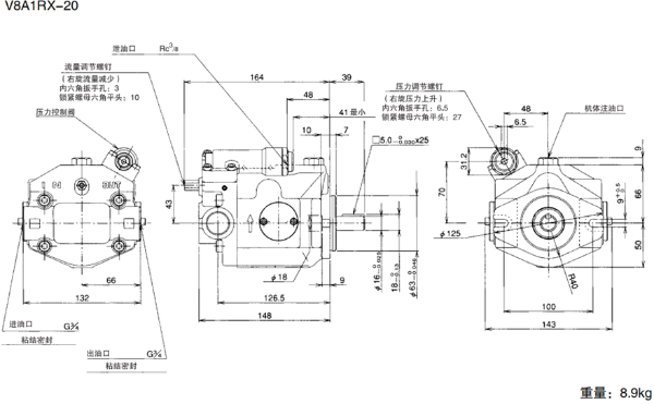
V8A1RX-20大金柱塞泵参数说明及外形安装尺寸图
2023-01-06 11:14:36
V系列大金柱塞泵特点: ●低噪音 o每个系列中所有压力范围都实现了低噪音运转。 ●高效率 O由于动力损失小,油的温升慢,这样可将油箱设计成很小。 ●可靠性好 O高灵敏度,高稳定性,寿命长,增加了主机的可靠性。 ...
PGP365A198 派克齿轮泵(铸铁泵)特征及产品说明
2023-01-05 15:59:17
PGP365A198派克齿轮泵(铸铁泵) 铸铁泵 – PGP365 系列 派克的 PGP365 固定排量齿轮泵由于其铸铁结构而具有高性能和高耐久性。 产品说明: 派克的 365 系列固定排...
Danfoss丹佛斯90系列轴向柱塞马达技术规格 -伟德国际victor1946
2023-01-04 11:46:11
Danfoss丹佛斯90系列轴向柱塞马达技术规格: 参数:042MF,055MF,055MV,075MF,100MF,130MF 概况: 下表中给出的90系列马达规格数据便于产品快速索引,有关定义及详细信息参阅13...
![【bv1946官方网站下载地址
】液压元件[液压油泵,电磁阀]一站式服务平台](http://m.longbaobei.com/www/upload/20210127173032768281.png)


![VZ50,VZ63,VZ80,VZ100,VZ130系列大金[DAIKIN]柱塞泵技术规格及型号说明](http://m.longbaobei.com/www/upload/20230106141631830086.jpg)




